




Upevňovací materiál


| Verze | | Se 3 oddílyVolitelně lze integrovat mechanismus tlumeného zavírání |
|---|---|
| Barva/povrchová úprava | | Bílý hliník, RAL 9006, Bílý hliník RAL 9006 | Černá, Černá |
| Montáž | | Vybavení koupelny a příslušenství |
| Materiál | | Plast |
| Vhodné pro | | Se 3 oddílys integrovaným mechanismem tlumení (volitelně) |
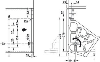
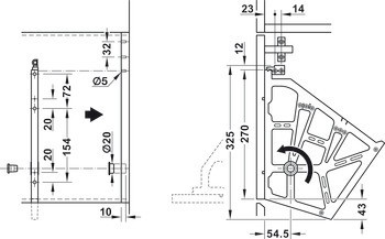
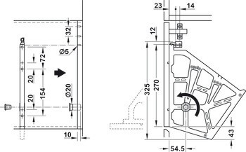
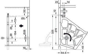
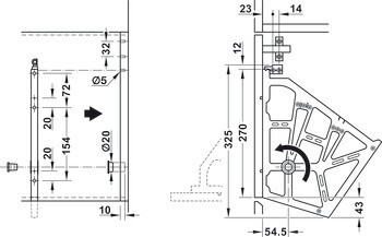
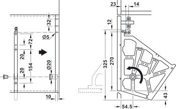
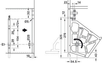
| Montážní hloubka min. | | 310,00 mm | 310.00 mm |