




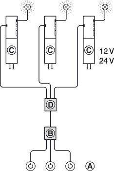
1 Driver box s upevňovacím materiálem
3 kabely pro spínače, každý 1 m

| Barva/povrchová úprava | Černý |
|---|---|
| Materiál | Plast |
| Poznámka k montáži | Délka kabelu od Driveru ke spínači max. 6 metrůØ vrtaného otvoru pro zástrčku: 12 mm |
| Rozměry (D x Š x V) | 50 x 40 x 19 mm |
| Stupeň ochrany | IP20 |
| Spotřeba energie v pohotovostním režimu | 1,50 W |
| Délka kabelu | 1.000,00 mm |
| Průměr otvoru pro zástrčku | 12,00 mm |
| Spínací kapacita | 270,00 W |