









| Barva/povrchová úprava | nikl |
|---|---|
| Rozsah použití | Pro standardní aplikace |
| Montáž | Dveře na korpusu bez nářadí s klip systémem |
| Zařízení pro nastavení | Side adjustment ±2 mm, Height adjustment ±3 mm, Depth adjustment -2/+3 mm, Výškové nastavení podle montážní podložky |
| Materiál | Ocel |
| Typ zalomení | Rovné |
| Pro materiál dveří | dřevo |
| Verze nábytkového závěsu | plně naložené |
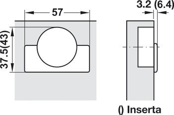
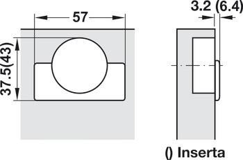
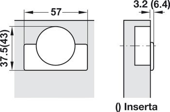
| Zpracování dveří pro sestavení | s vrtáním misky |
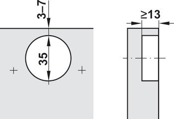
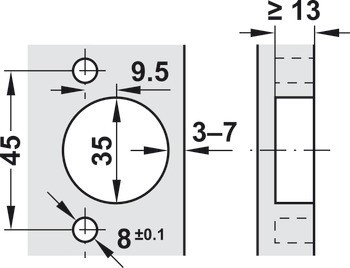
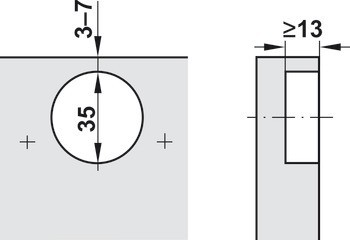
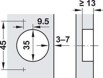
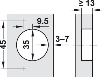
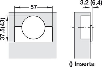
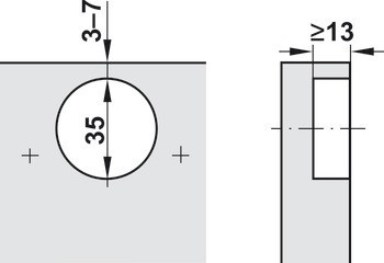
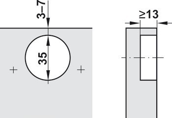
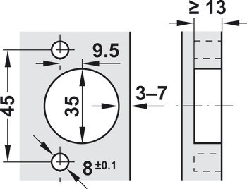
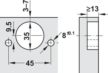
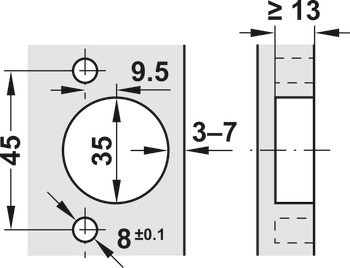
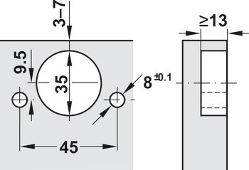
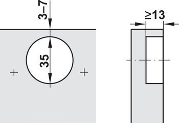
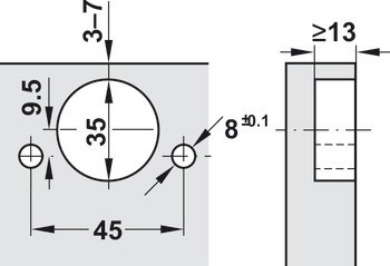
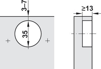
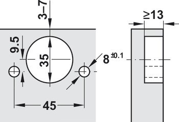
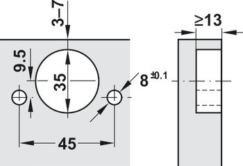
| Hloubka vrtání misky | | 13,00 mm | 13.00 mm |
| Verze | | S automatickou dovírací mechanikou, Bez mechanismu tlumení | Bez automatické zavírací pružiny, Bez mechanismu tlumení |
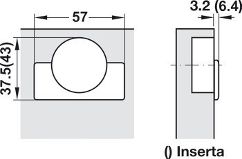
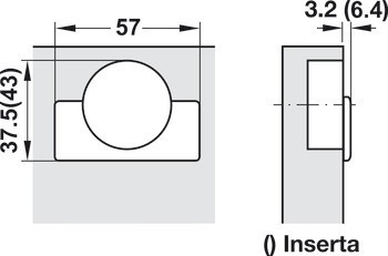
| Montáž misky závěsu | | K nalisování | k přišroubování | Bez nářadí (Inserta) |
| Úhel otevření | 110° |
| Model No. | | 70T3550.TL | 70T3590.TL | 71T3550 | 71T3580 | 71T3590 |
| Vzor vrtání | 45/9,5 |
| Průměr vrtání misky | | 35,00 mm | 35.00 mm |