







| Barva/povrchová úprava | nikl |
|---|---|
| Rozsah použití | Pro standardní aplikace |
| Montáž | Dveře na korpusu bez nářadí s klip systémem |
| Model | |
| Zařízení pro nastavení | Side adjustment 2 mm, Height adjustment -3 – 3 mm, Výškové nastavení podle montážní podložky |
| Materiál | Ocel |
| Typ zalomení | Zalomené |
| Pro materiál dveří | dřevo |
| Verze nábytkového závěsu | Polonaložená montáž/oboustranná montáž |
| Zpracování dveří pro sestavení | s vrtáním misky |
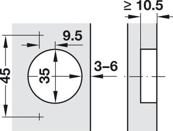
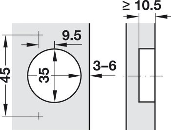
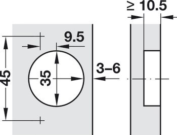
| Hloubka vrtání misky | 10,50 mm |
| Verze | S automatickou dovírací mechanikou |
| Montáž misky závěsu | | K nalisování | k přišroubování | Bez nářadí (Inserta) |
| Úhel otevření | 100° |
| Model No. | 71M2690B | 71M2650 | 71M2680 |
| Vzor vrtání | 45/9,5 |
| Průměr vrtání misky | 35,00 mm |