




1 2kanálové rozhraní

| Verze | S bezpotenciálovým relé |
|---|---|
| Rozsah použití | Pro ovládání součástí Häfele Connect Mesh v síti |
| Materiál | Plast |
| Poznámka k montáži | Vhodné pro montáž do krabic pro spínače (doporučená hloubka krabice 60 mm) |
| Rozměry (D x Š x V) | 39 x 44 x 21 mm |
| Model | Connect Mesh |
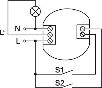
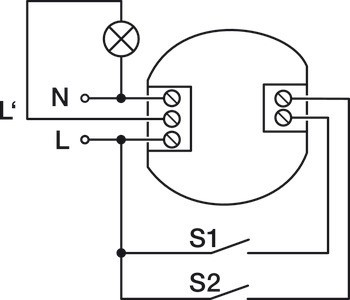
| Připojení | 2 spínací vstupy pro běžná standardní tlačítka montovaná na stěnu (dvoupólová), 1 výstupní port pro spínání 80–240 V zap./vyp., max. 3 A, (max 240 W při 80 V a 720 W při 240 V), (lze ovládat libovolnou aktivní součástí sítě) |
| Stupeň ochrany | IP20 |
| Síťové napětí zástrčky | kabely bez koncovek pro přímé připojení |
| Typ produktu | 2kanálové rozhraní |
| Přenos signálu | Bluetooth® |
| Bezdrátová technologie | Bluetooth®, EasyPairing |
| Mezinárodní certifikace | Australia RCM, Japonsko JATE TELEC MIC, Canada IC, Velká Británie UKCA |
| Označení pro správný účel použití | Lze použít pouze v uzavřených, suchých místnostech. |