




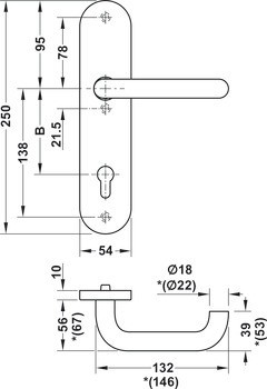
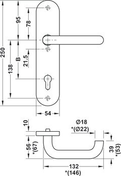
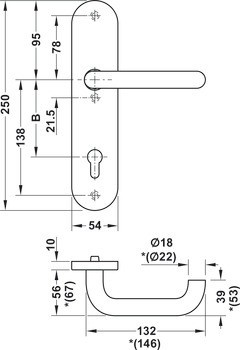
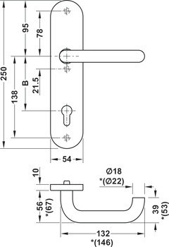
1 PZ vnější štít
1 Dveřní koule
1 PZ vnitřní štít
1 Klika s otvorem pro čtyřhran
1 Výměnný čtyřhran 8 x 85 mm
3 Závitové šrouby M6 x 55 mm





| Verze | Quick-fit montáž, vnitřní štít s mechanismem vratné pružiny |
|---|---|
| Materiál | Hliník |
| Tloušťka dveří | | 67 – 72 mm | 42 – 47 mm |
| Pro typ dveří | | Vchodové dveře do bytu | Vchodové dveře do budovy |
| Rozteč | | 72,00 mm | 92,00 mm | 72.00 mm |
| Barva/povrchová úprava | | elox, Barva stříbra | elox, Nová stříbrná barva |
| Typ sady dveřních klik | | PZ výměnná sada s plochou koulí | PZ sada |
| Tloušťka vnějšího štítu | 12,00 mm | 12.00 mm |
| Třída odolnosti | třída odolnosti 1 v souladu s DIN 18257:2015 |