




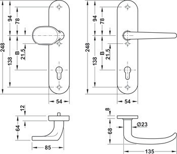
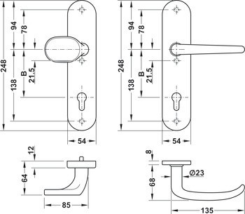
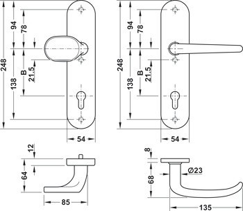
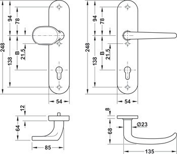
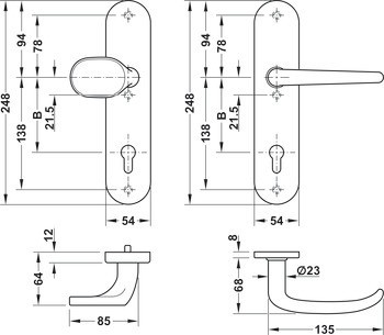
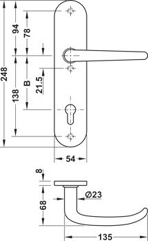
1 PZ vnější štít
1 dveřní koule
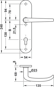
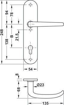
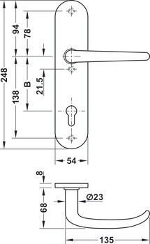
1 PZ vnitřní štít
1 klika s otvorem pro čtyřhran
1 adaptér čtyřhranu 8 x 75 mm
3 závitové šrouby M6 x 50 mm
3 závitové šrouby M6 x 60 mm




| Materiál | Nerez |
|---|---|
| Tloušťka dveří | | 35 – 55 mm | 60 – 80 mm |
| Pro typ dveří | | Vchodové dveře do bytu | Vchodové dveře do budovy |
| Rozteč | | 72,00 mm | 92,00 mm |
| Pojistka | Vnější štít s ochranou proti odvrtání |
| Barva/povrchová úprava | Matné |
| Typ sady dveřních klik | | PZ výměnná sada s plochou koulí | PZ sada |
| Tloušťka vnějšího štítu | 12,00 mm |
| Třída odolnosti | třída odolnosti 1 v souladu s DIN 18257:2003 |