






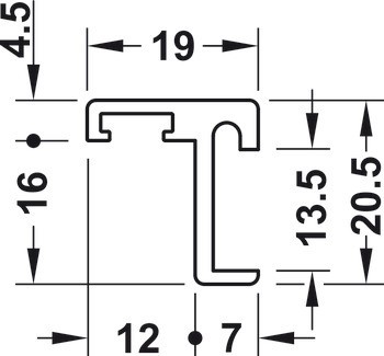
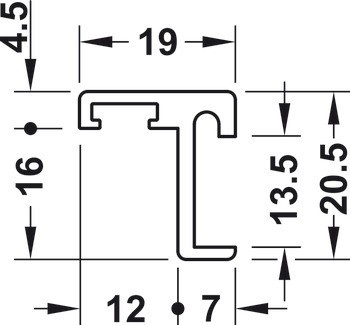
| Délka | 6.000,00 mm | 6,000.00 mm |
|---|---|
| Barva/povrchová úprava | Barva stříbra, Elox, Barva stříbra, elox |
| Rozsah použití | | Pro systém panelů 13 mm | pro systém panelů 28 mmpro systém sanitárních dělicích příček |
| Montáž | Vhodné pro montáž na střed |
| Materiál | Hliník |
| Pro tloušťku panelu | | 13 mm | 28 mm |