




1 elektrický otvírač
1 sada upevňovacího materiálu (šrouby do protiplechu M4 x 8 mm)


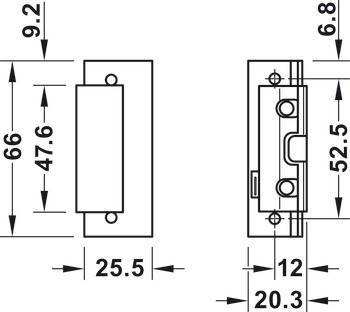
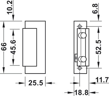
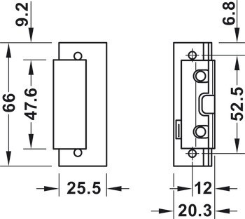
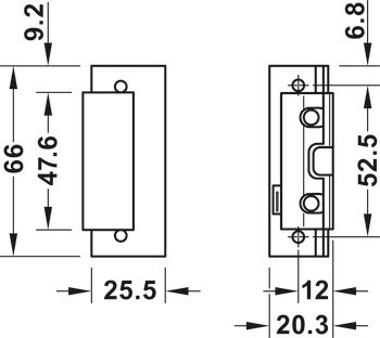
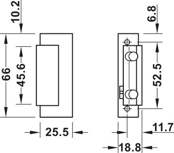
| Barva/povrchová úprava | | Střelka: matný nikl |
|---|---|
| Rozsah použití | | Pro bezfalcové dveře, montáž do protiplechu |
| Materiál | | Tělo: zinková slitina, ocelStřelková závora: zinková slitina |
| Vhodné pro | | S nastavitelnou střelkou (+1/-2 mm) |
| Model | | S99T |