




2 vozíky
1 rovné prahové podlahové vedení
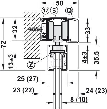
2 dorazy kolejnice s přídržnou pružinou





| Verze | | Doraz kolejnice s přídržnou pružinou | Tlumič rázů s přídržnou pružinou |
|---|---|
| Rozsah použití | pro 1křídlé a 2křídlé posuvné dveře |
| Model | | 50J | 80J | 120J |
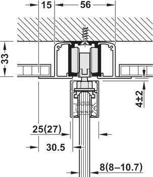
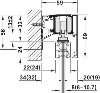
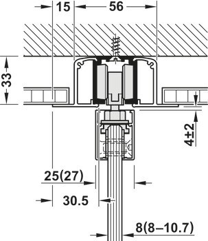
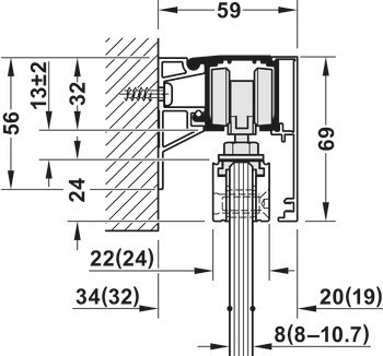
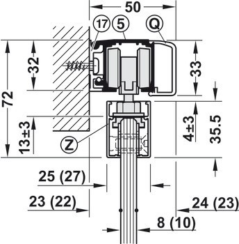
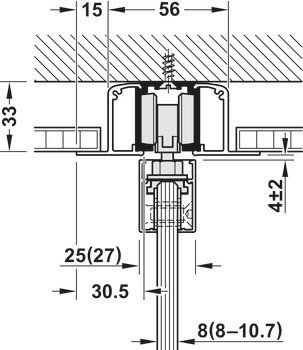
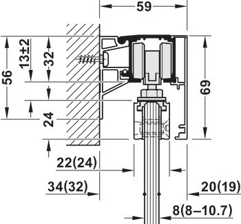
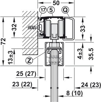
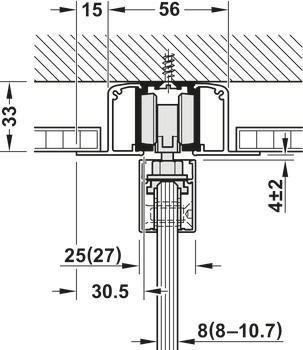
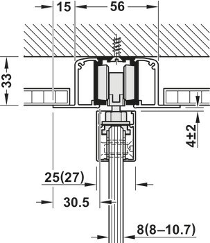
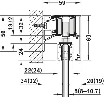
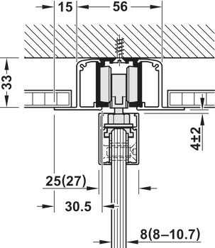
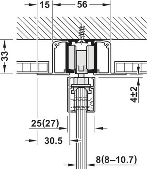
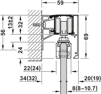
| Zařízení pro nastavení | Height adjustment ±2 mm |
| Pro materiál dveří | Sklo |
| Počet dveří v systému max. | 1 až 2 |
| Počet dveří | 1,00 | 1.00 | 1,0 |
| Mechanismus tlumeného zavírání | | s mechanismem tlumeného dotahu na jedné straně | s mechanismem tlumeného dotahu na obou stranách | bez mechanismu tlumeného dotahu |
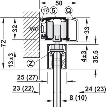
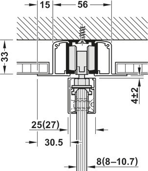
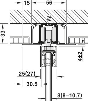
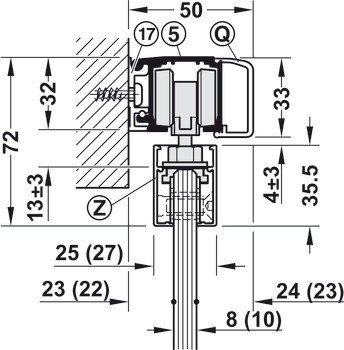
| Pro šířku dveří | | ≥510 mm | ≥620 mm | ≥558 mm | ≥539 mm | ≥814 mm | ≥601 mm | ≥938 mm |
| Pro hmotnost dveří | | ≤50 kg | ≤80 kg | ≤120 kg |
| Poloha pojezdu | Nahoře |
| Zpracování dveří | Bez přípravy skla |
| Montáž | Zavěšení s přiléhajícím spojením přírubou na sklo |
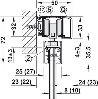
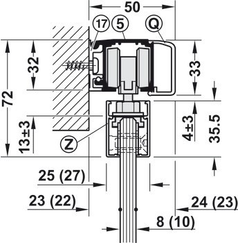
| Vlastnosti vozíku | | Vozík s jehličkovým ložiskem | Vozík s kolečky s kuličkovým ložiskem |
| Typ montáže | Pevné zasklení (volitelně), Montáž na stěnu a montáž na strop |
| Pro typ skla | Tvrzené bezpečnostní sklo (ESG)|Vrstvené bezpečnostní sklo (VSG) |
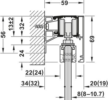
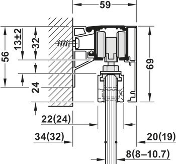
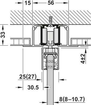
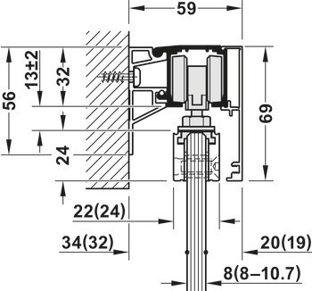
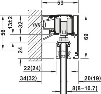
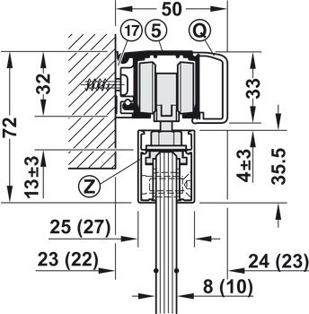
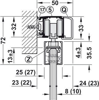
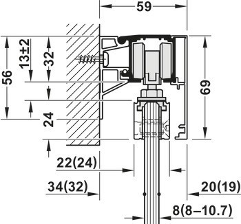
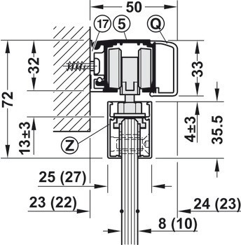
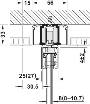
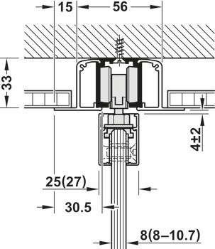
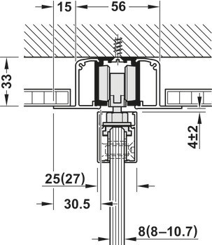
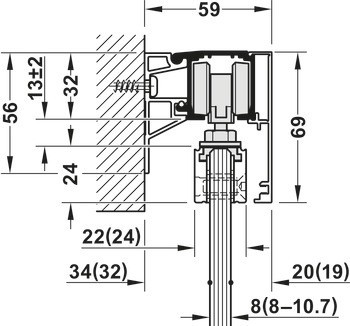
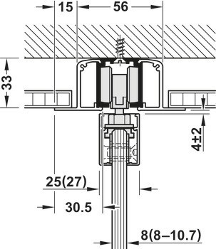
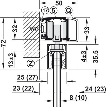
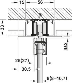
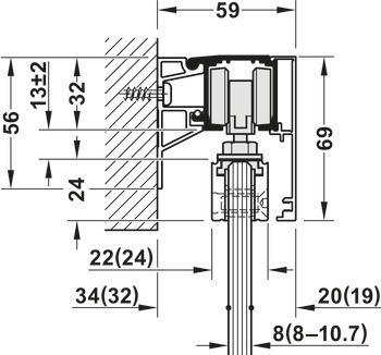
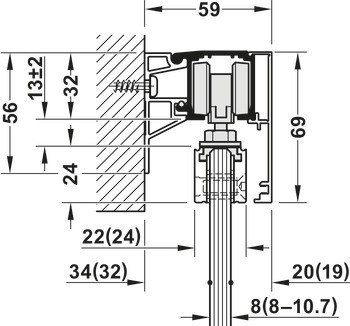
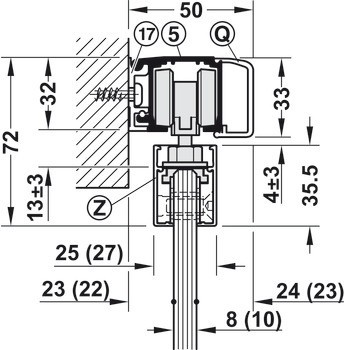
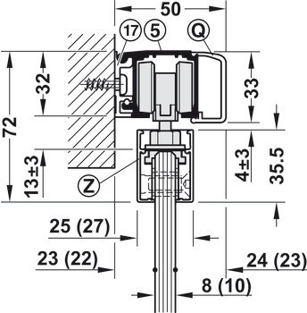
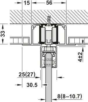
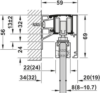
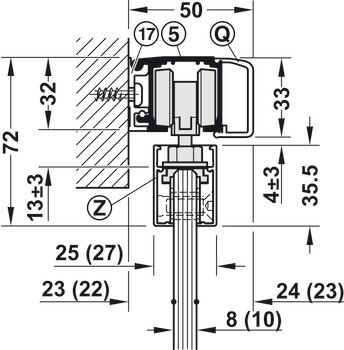
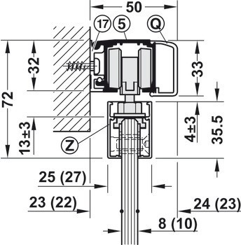
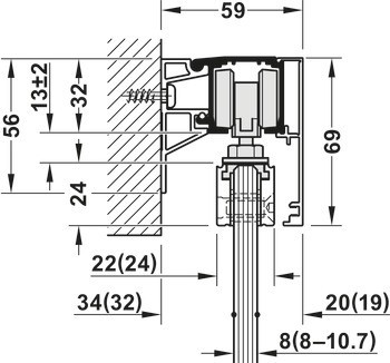
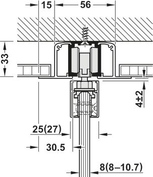
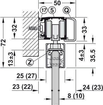
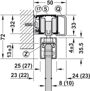
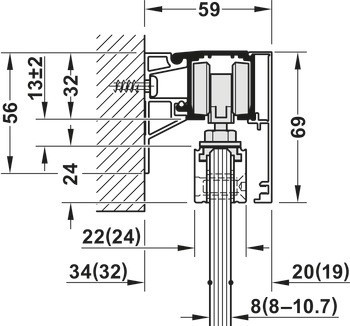
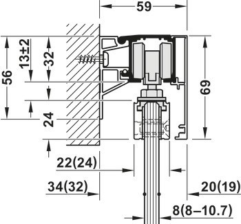
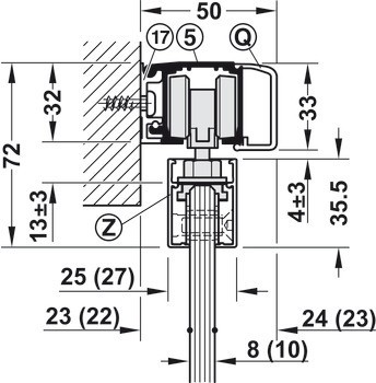
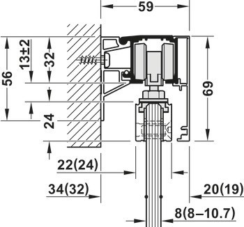
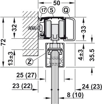
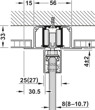
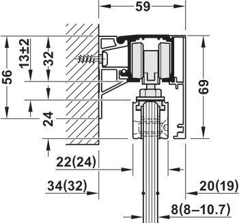
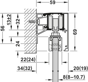
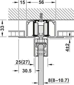
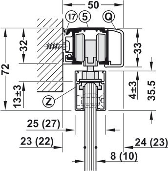
| Pro tloušťku skla s tvrzeným bezpečnostním sklem (ESG) | 8 mm, 10 mm |
| Pro tloušťku skla s vrstveným bezpečnostním sklem (VSG) | 10-10,7 mm (2 x tvrzené bezpečnostní sklo (ESG)), 8-8,7 mm (2 x tvrzené bezpečnostní sklo (ESG)) |