




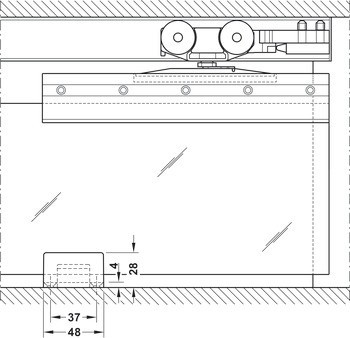
2 vozíky
1 rovné prahové podlahové vedení
2 dorazy kolejnice s přídržnou pružinou





| Verze | | Doraz kolejnice s přídržnou pružinou | Tlumič rázů s přídržnou pružinou |
|---|---|
| Rozsah použití | pro 1křídlé a 2křídlé posuvné dveře |
| Poznámka k montáži | Pro montáž na strop s krytem na obou stranách není k dispozici koncová krytka. Pár koncových krytek je možné připevnit a přilepit svisle ke středu pojezdové kolejnice (volitelně). |
| Model | | 50L | 80L | 120L |
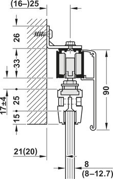
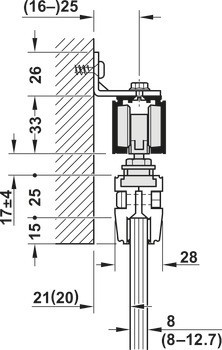
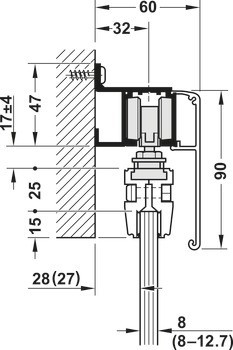
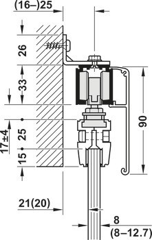
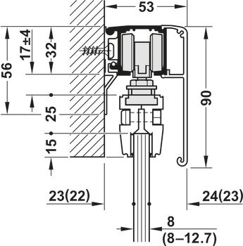
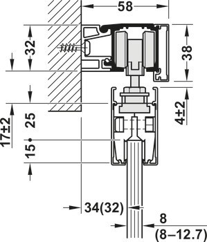
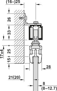
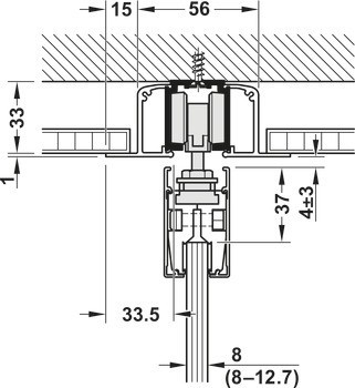
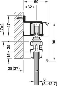
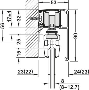
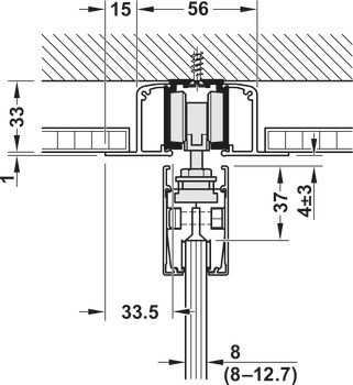
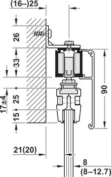
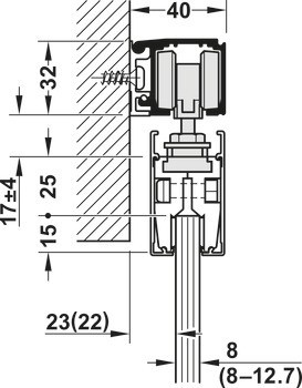
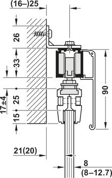
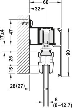
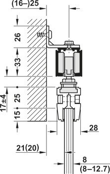
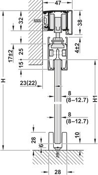
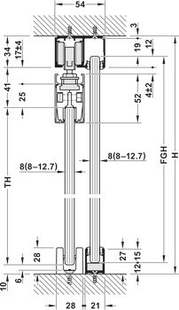
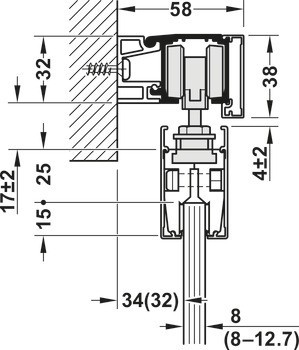
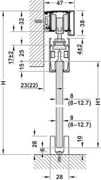
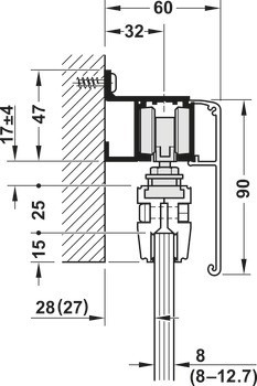
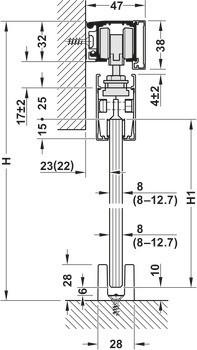
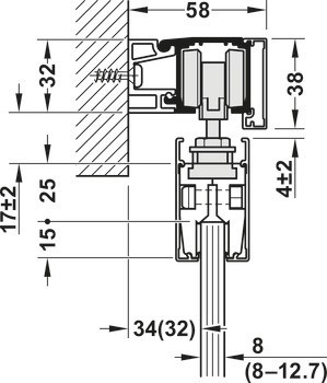
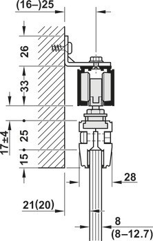
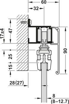
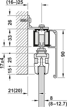
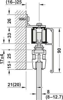
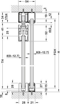
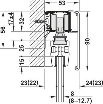
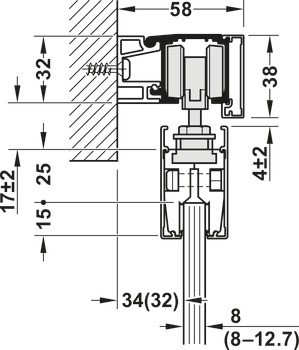
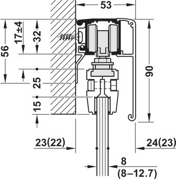
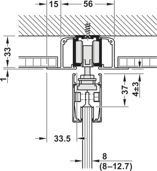
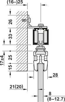
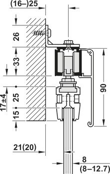
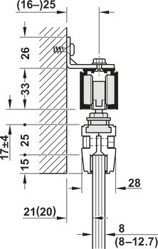
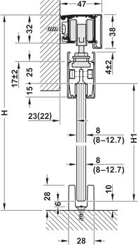
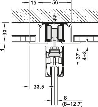
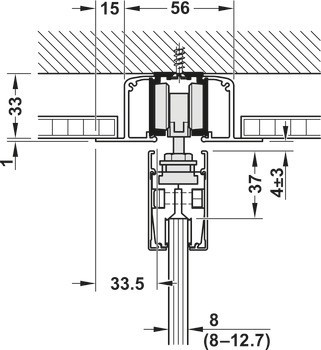
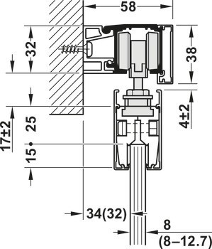
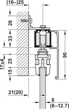
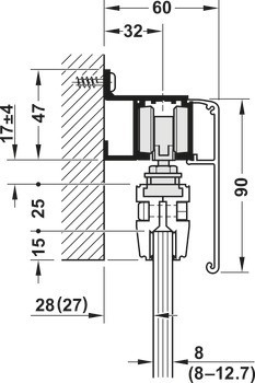
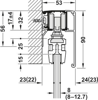
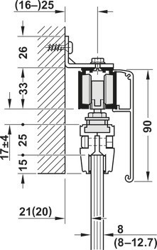
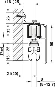
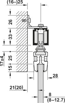
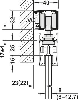
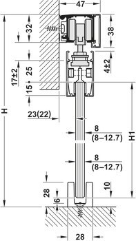
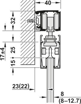
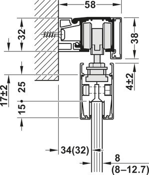
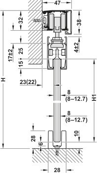
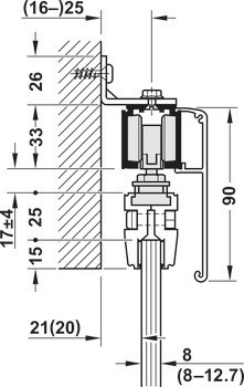
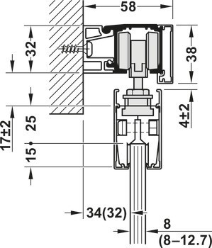
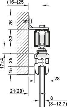
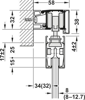
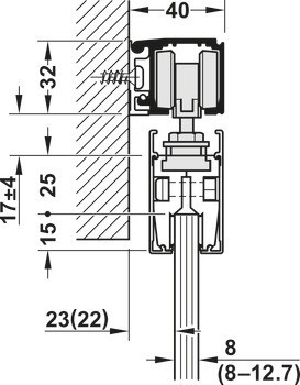
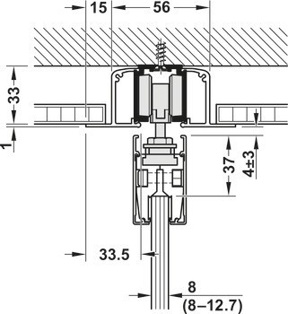
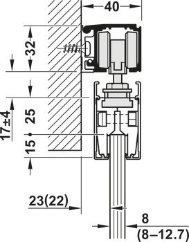
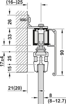
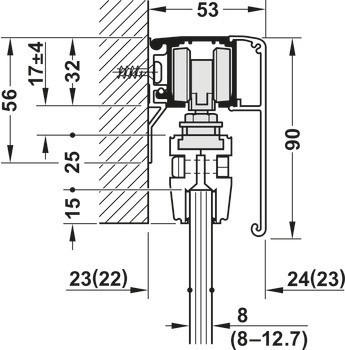
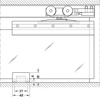
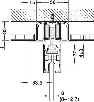
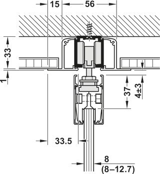
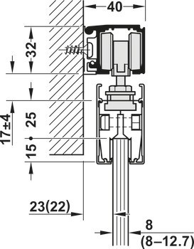
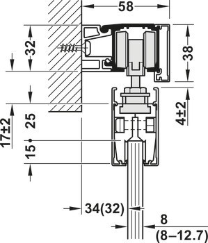
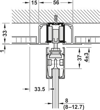
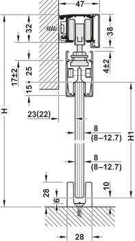
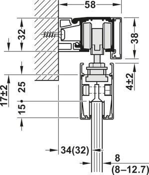
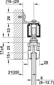
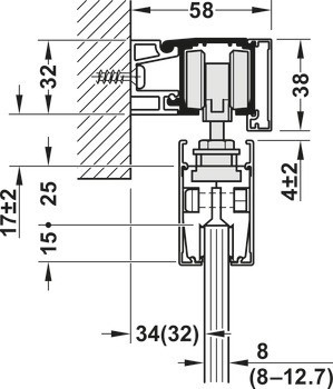
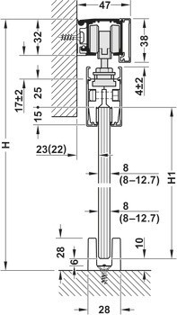
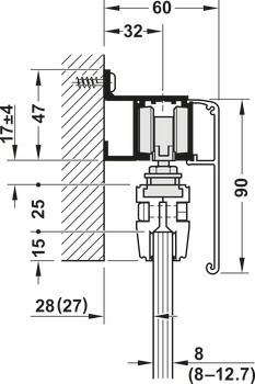
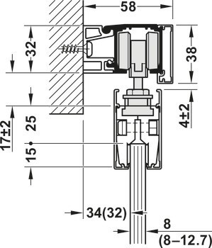
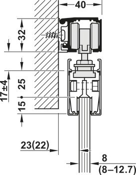
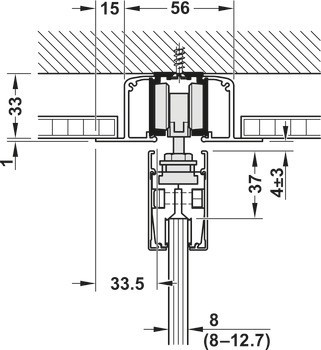
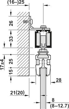
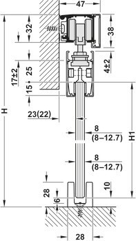
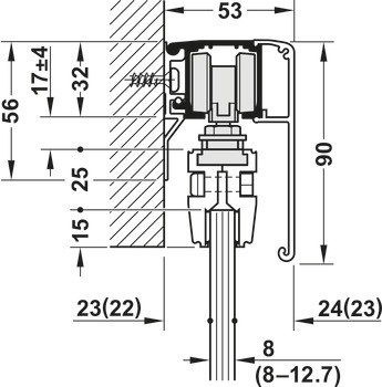
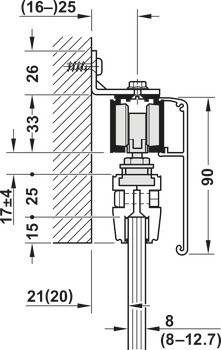
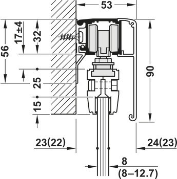
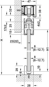
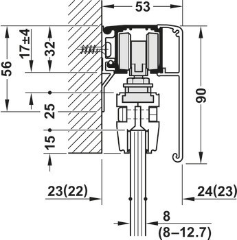
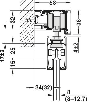
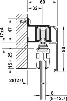
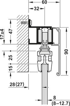
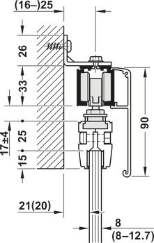
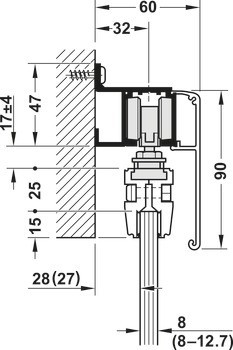
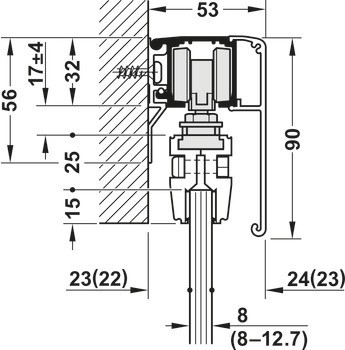
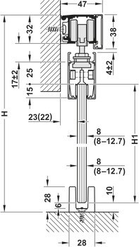
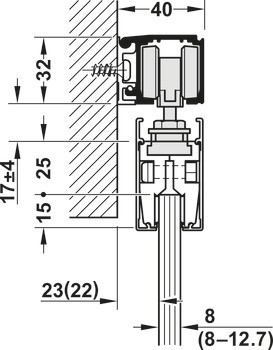
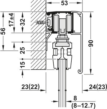
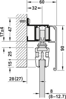
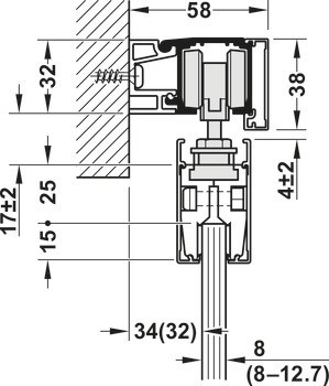
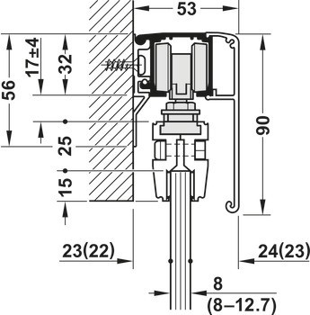
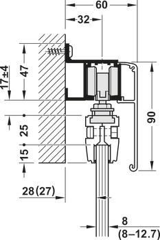
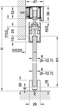
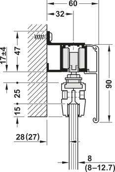
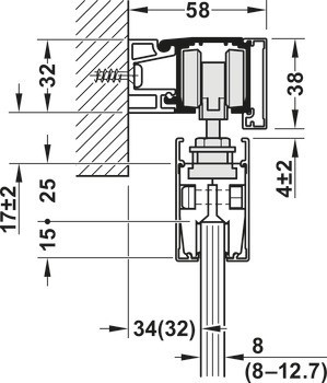
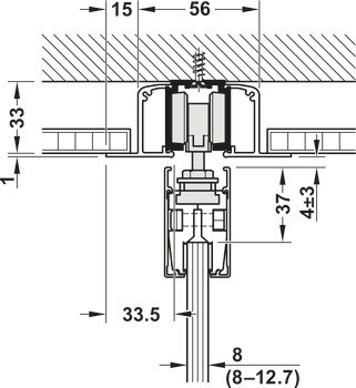
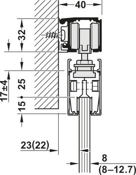
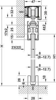
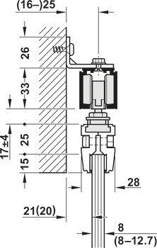
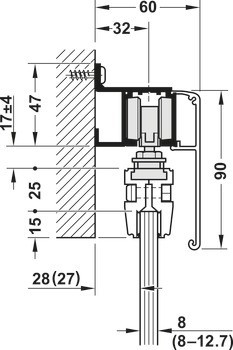
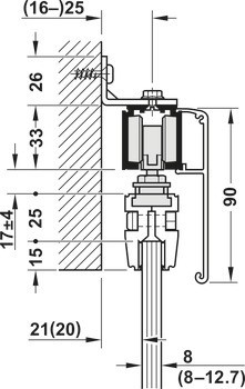
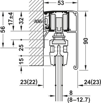
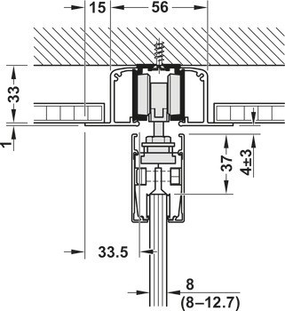
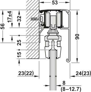
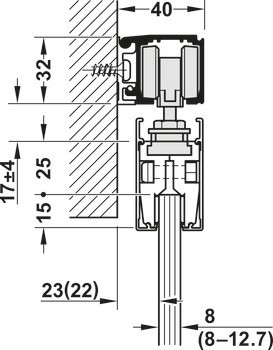
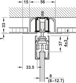
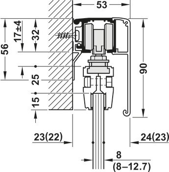
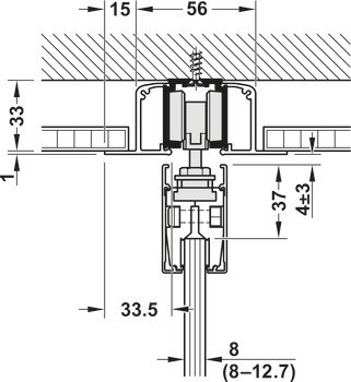
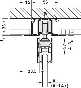
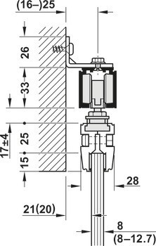
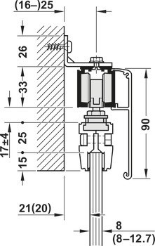
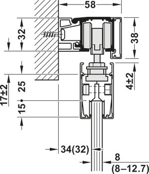
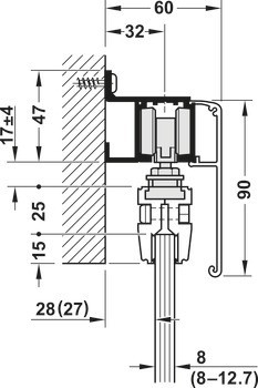
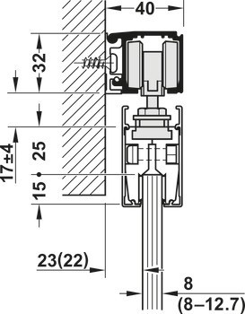
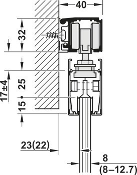
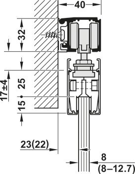
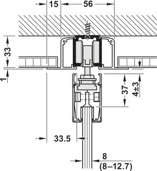
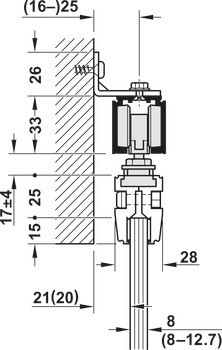
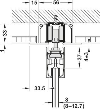
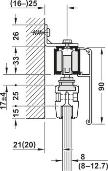
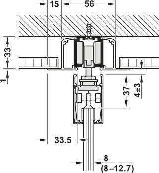
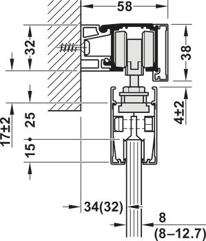
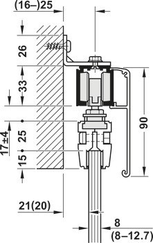
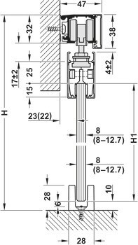
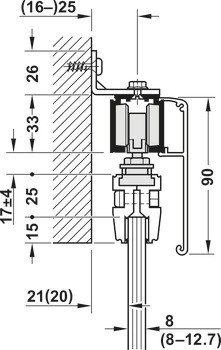
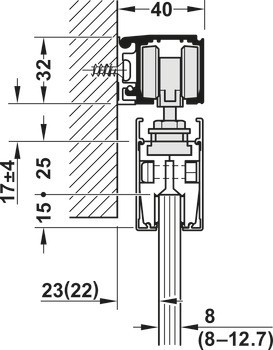
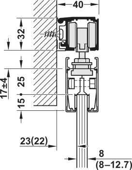
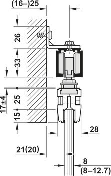
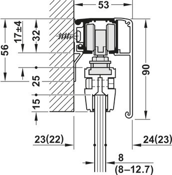
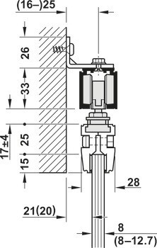
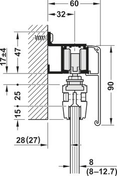
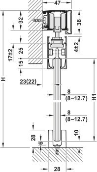
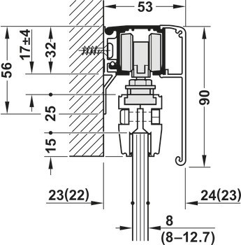
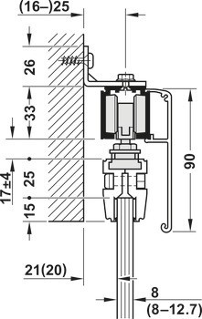
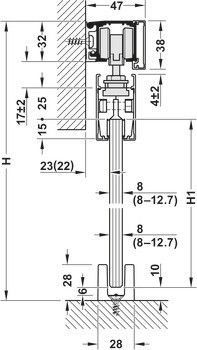
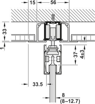
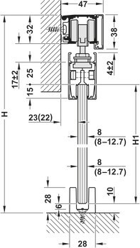
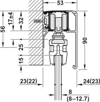
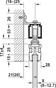
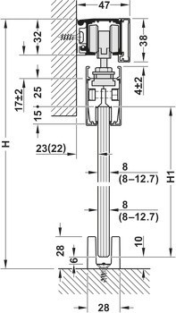
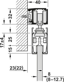
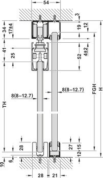
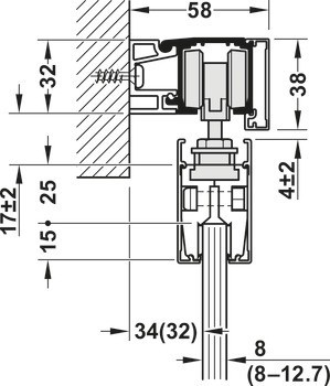
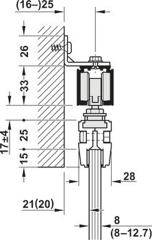
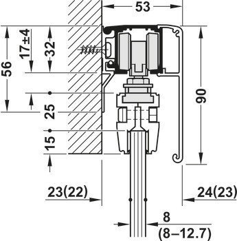
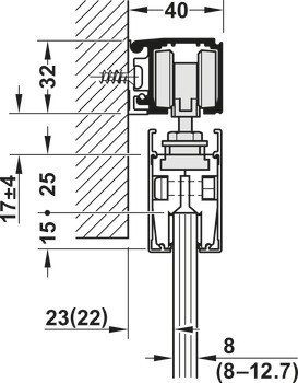
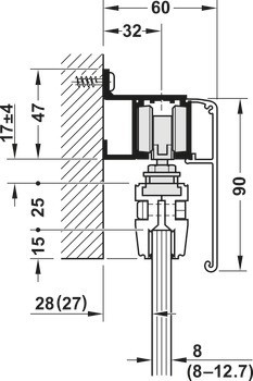
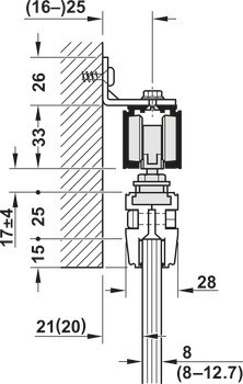
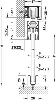
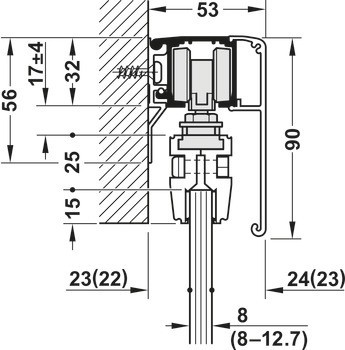
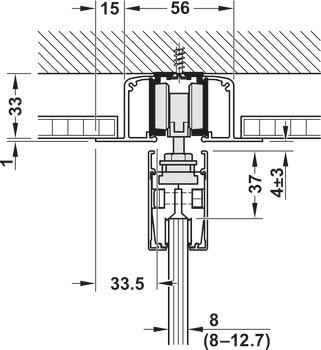
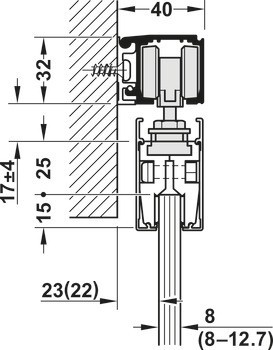
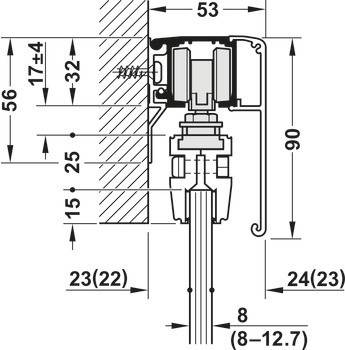
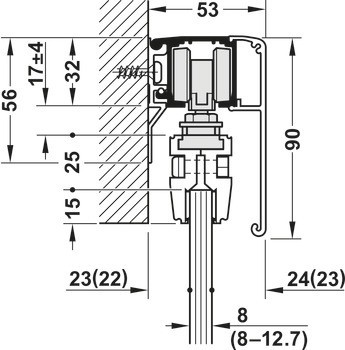
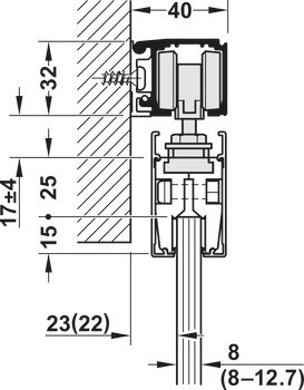
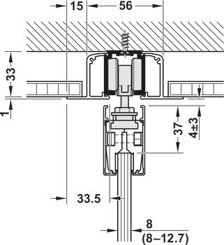
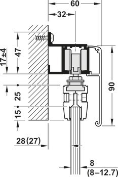
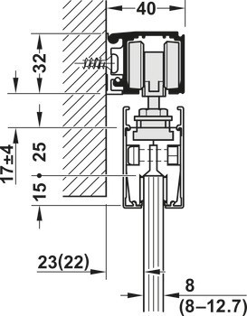
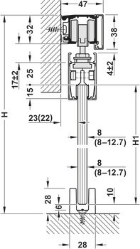
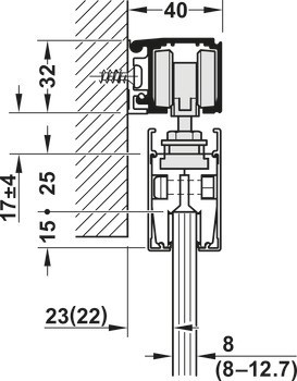
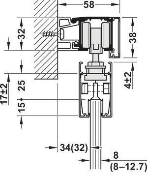
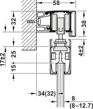
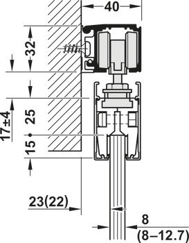
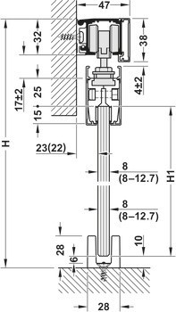
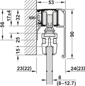
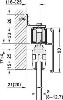
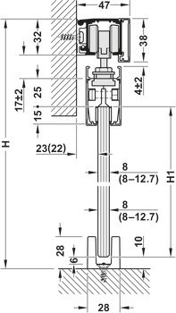
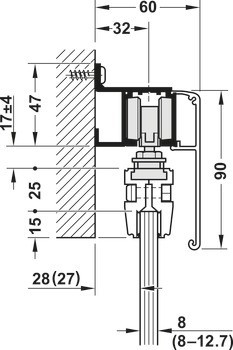
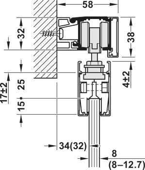
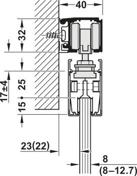
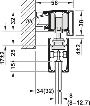
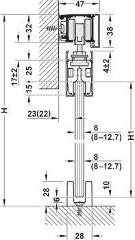
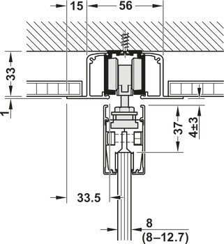
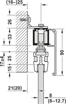
| Zařízení pro nastavení | Height adjustment: -4 – 4 mm, ±2 (v závislosti na odpovídající montážní situaci, viz obrázky) |
| Pro materiál dveří | sklo |
| Počet dveří v systému max. | 1 až 2 |
| Počet dveří | 1,00 | 1.00 | 1.0 |
| Mechanismus tlumeného zavírání | | s mechanismem tlumeného dotahu na obou stranách | s mechanismem tlumeného dotahu na jedné straně, s tlumičem rázů a přídržnou pružinou na jedné straně | bez mechanismu tlumeného dotahu, s dorazem kolejnice s přídržnou pružinou na obou stranách | s mechanismem tlumeného dotahu na jedné straně, s dorazem kolejnice s přídržnou pružinou na jedné straně |
| Pro šířku dveří | | ≥556 mm | ≥500 mm | ≥780 mm | ≥618 mm | ≥904 mm | ≥512 mm | ≥574 mm |
| Pro hmotnost dveří | | ≤50 kg | ≤80 kg | ≤120 kg |
| Poloha pojezdu | Nahoře |
| Vlastnosti vozíku | | Vozík s jehličkovým ložiskem | Vozík s kolečky s kuličkovým ložiskem |
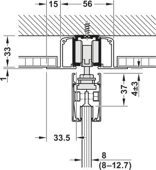
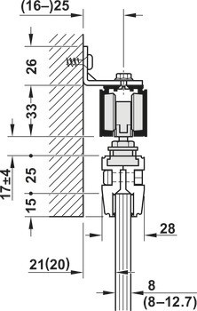
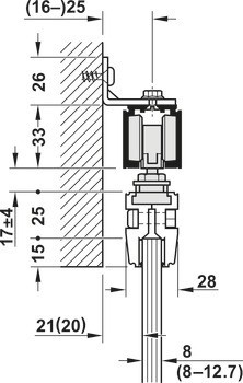
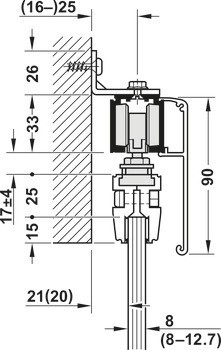
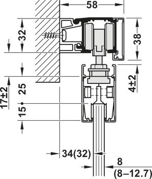
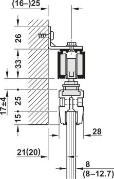
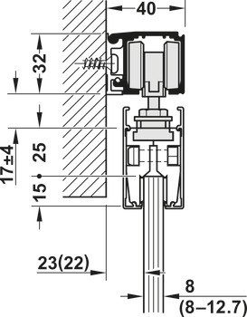
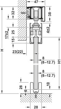
| Typ montáže | Montáž na strop, Montáž na stěnu |
| Pro tloušťku skla s tvrzeným bezpečnostním sklem (ESG) | 8 mm, 10 mm, 12 mm, 12.7 mm |
| Pro tloušťku skla s vrstveným bezpečnostním sklem (VSG) | 8–8,7 mm, 10–10,7 mm, 13 mm |