




4 vozíky
1 unašeč dveří
4 vedení
8 dorazy dveřního křídla s nacvakávacím dveřním dorazem
Montážní materiál


| Rozsah použití | | Pro 2 dveře | Pro 3 dveře |
|---|---|
| Poznámka k montáži | | Nacvakávací dveřní doraz sady nesmí být instalován, pokud je objednán rovněž doplňkový mechanismus tlumeného zavírání. |
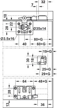
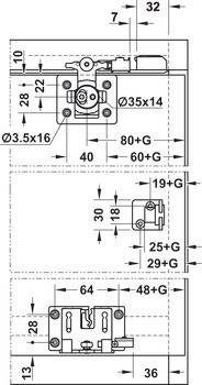
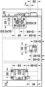
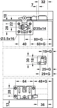
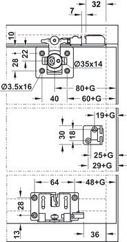
| Zařízení pro nastavení | | Height adjustment ±2 mm, Výška ±2 mm pomocí excentrického šroubu na vozíku |
| Pro tloušťku dveří | | 19 mm |
| Pro materiál dveří | | Dřevo |
| Sada | | Sada bez kolejnic |
| Pro výšku dveří | | ≤2200 mm |
| Počet dveří v systému max. | |
| Počet dveří | | 2,00 | 3.00 |
| Mechanismus tlumeného zavírání | | bez mechanismu tlumeného dotahu, s nacvakávacím dveřním dorazem |
| Nastavení výšky | | ±2 mm |
| Pro šířku dveří | | ≤1000 mm |
| Pro hmotnost dveří | | ≤26 kg |
| Materiál/Povrchová úprava | | Tělo: Plast, Vozík: Zinková slitina, Vedení: Ocel, Kolečka: Plast, Osy: Ocel |
| Poloha pojezdu | | Nahoře |
| Počet koleček | | 2,00 | 2.00 |
| Uložení vozíku | | Kluzné ložisko |
| Nastavení dveří přes | | excentrický šroub |