




4 vozíky
4 vedení
8 dveřních dorazů (6 s nacvakávacím dveřním dorazem/2 dorazy)
1 unašeč dveří
1 montážní materiál



| Rozsah použití | Pro 2 dveře | Pro 3 dveře |
|---|---|
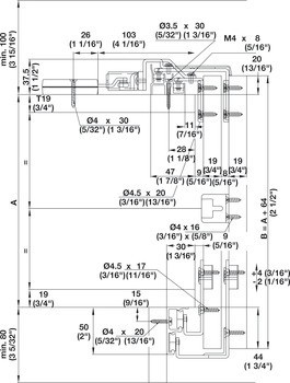
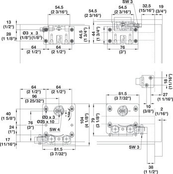
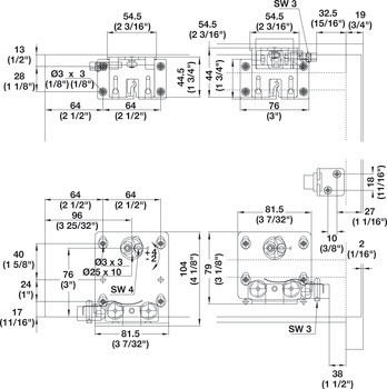
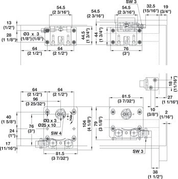
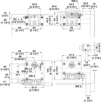
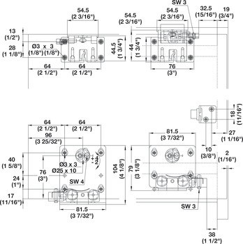
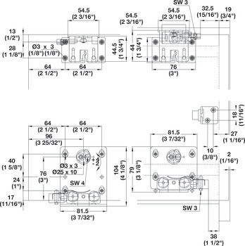
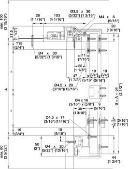
| Zařízení pro nastavení | Height adjustment -2/+4 mm, Výška +4/-2 mm na vozíku pomocí excentrického šroubu |
| Pro tloušťku dveří | 19 mm |
| Design skříně | s dveřními křídly se spodním pojezdem |
| Sada | Sada bez kolejnic |
| Pro výšku dveří | ≤2200 mm |
| Počet dveří | 2.00 | 3.00 |
| Mechanismus tlumeného zavírání | bez mechanismu tlumeného dotahu, s nacvakávacím dveřním dorazem |
| Pro šířku dveří | ≤1200 mm |
| Pro hmotnost dveří | | ≤20 kg | ≤35 kg |
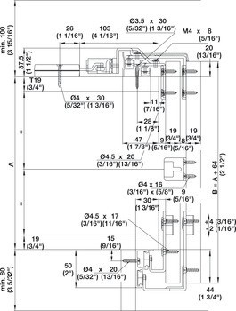
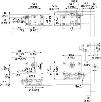
| Materiál/Povrchová úprava | Vozík: Ocel, Vedení: Ocel, Kolečka: Plast |
| Montáž | Vozík a vedení k přišroubování|Beznářaďová montáž a demontáž dveřních křídel |
| Poloha pojezdu | Dole |
| Počet koleček | | 2.00 | 1.00 |
| Uložení vozíku | Kuličkové ložisko |
| Nastavení dveří přes | excentrický šroub |