




2 vozíky
1 rovné prahové podlahové vedení
2 dorazy kolejnice s přídržnou pružinou





| Verze | | S mechanismem tlumeného dotahu na obou stranách | Doraz kolejnice s přídržnou pružinou |
|---|---|
| Rozsah použití | Pro 1křídlé a 2křídlé posuvné dveře |
| Poznámka k montáži | Mechanismus tlumeného dotahu:Nízká síla při otevření - snadná a pohodlná manipulaceTestováno pro zvýšenou rychlost do 0.5 m/sLze kdykoliv domontovat nebo vyměnit.Tlumič nárazuRychlost zavírání je testována do 0.4 m/s |
| Model | | 50P | 80P | 120P |
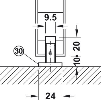
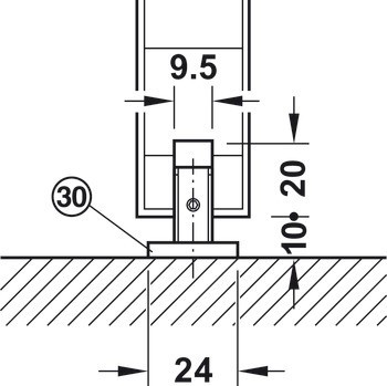
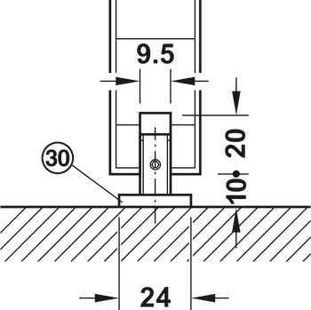
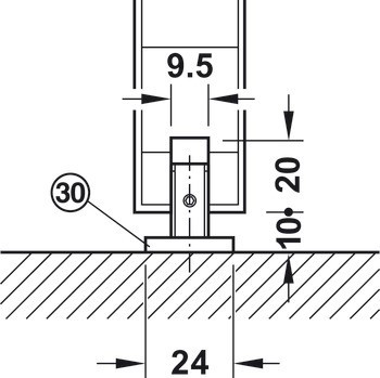
| Zařízení pro nastavení | Nastavitelná výška dveří |
| Pro materiál dveří | dřevo |
| Poznámka ke hmotnosti dveří | Na dveře |
| Počet dveří v systému max. | | 1 | 1 až 2 |
| Počet dveří | 1,00 | 1.00 | 1.0 |
| Mechanismus tlumeného zavírání | | s mechanismem tlumeného dotahu na jedné straně | s mechanismem tlumeného dotahu na obou stranách | s mechanismem tlumeného dotahu na jedné straně, s tlumičem rázů a přídržnou pružinou na jedné straně | bez mechanismu tlumeného dotahu, s dorazem kolejnice s přídržnou pružinou na jedné straně | bez mechanismu tlumeného dotahu, s dorazem kolejnice s přídržnou pružinou na obou stranách | s mechanismem tlumeného dotahu na jedné straně, s dorazem kolejnice s přídržnou pružinou na jedné straně |
| Pro šířku dveří | | ≥500 mm | ≥620 mm | ≥499 mm | ≥558 mm | ≥744 mm | ≥561 mm | ≥868 mm | 558 – 620 mm | 744 – 868 mm |
| Pro hmotnost dveří | | ≤50 kg | ≤80 kg | ≤120 kg |
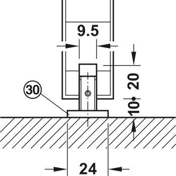
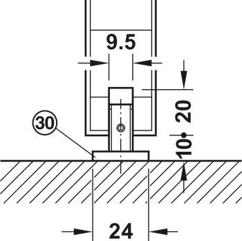
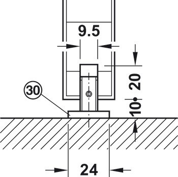
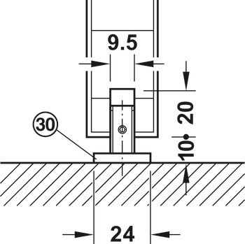
| Poloha pojezdu | Nahoře |
| Montáž | Zavěšení s přišroubovanou podpěrnou přírubou |
| Vlastnosti vozíku | | Vozík s jehličkovým ložiskem | Vozík s kolečky s kuličkovým ložiskem |
| Typ montáže | Montáž na strop, Montáž na stěnu |
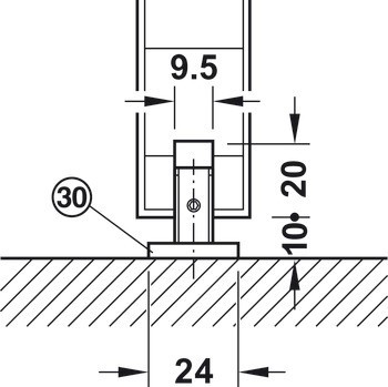
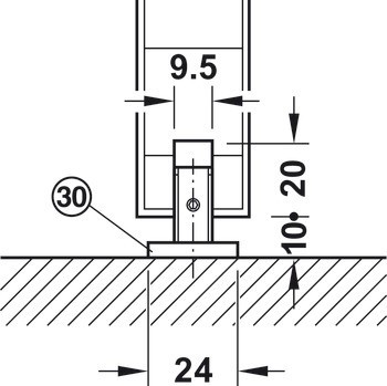
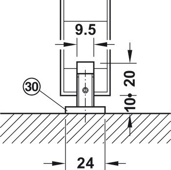
| Zařízení pro nastavení | nastavení výšky |