


| Barva/povrchová úprava | nikl |
|---|---|
| Rozsah použití | Pro nábytkové závěsy Blum Clip Top Blumotion, Clip Top, Clip |
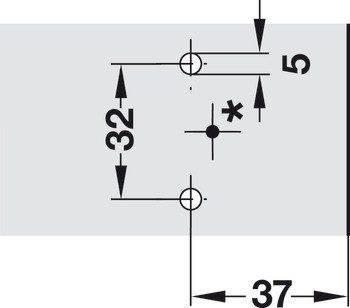
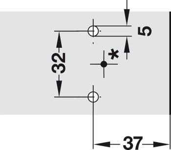
| Pro průměr vrtaného otvoru | 5,00 mm |
| Vhodné pro | Nábytkové závěsy Blum Clip Top Blumotion, Clip Top, Clip |
| Model | 173L8100.21MPL |
| Zařízení pro nastavení | Height adjustment Pomocí drážky ±3 mm |
| Modely | Clip Top Blumotion/Clip Top/Clip |
| Hloubka vrtání | 11,50 mm |
| Vzdálenost šroubu | 32,00 mm |
| Vzdálenost | 0,00 mm |
| Materiál | Ocel |
| Vzdálenost od hrany | 37,00 mm |
| Pro typ montáže | dvojité |
| Model No. | 173L8100.21MPL |
| Výrobce | Blum |
| Způsob připevnění | k nacvaknutí |
| Verze montážní podložky | K přišroubování předmontovanými eurošrouby |