







| Barva/povrchová úprava | nikl |
|---|---|
| Rozsah použití | Příslušenství |
| Model | 50 A |
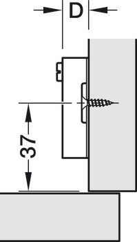
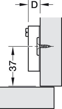
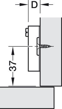
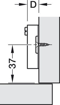
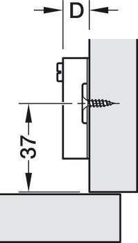
| Zařízení pro nastavení | Další mechanismus nastavení: Výškové nastavení ±2 mm pomocí drážky |
| Modely | Metalla 50 A |
| Vzdálenost | 4,00 mm | 2,00 mm |
| Materiál | Ocel |
| Výrobce | Häfele |
| Verze montážní podložky | k přišroubování pomocí vrutů do dřevotřísky |