




1 zadlabací zámek
1 poniklovaný klíč




| Barva/povrchová úprava | Saténový nerez ocel |
|---|---|
| Materiál | Čelní plech: Nerezstřelková závora: plast s magnetickou vložkouzávora a ořech kliky: zinková slitinatělo zámku: Ocel |
| Typ produktu | Magnetický zadlabací zámek |
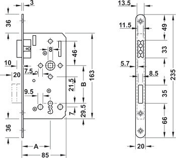
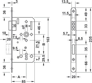
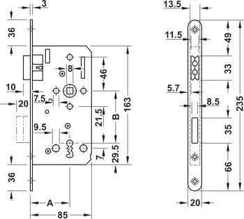
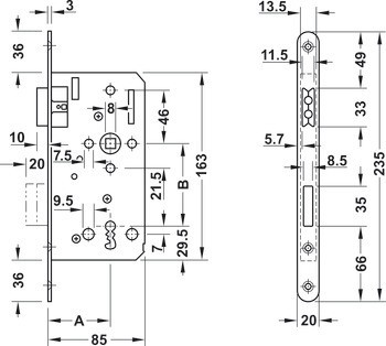
| Backset | | 55,00 mm | 65,00 mm |
| Princip funkce | Střelka je aktivována magnetem |
| Pro materiál dveří | Dřevo |
| Pro typ dveří | Otočné dveře |
| Design čelního plechu | Plochý čelní plech zaoblený |
| Rozsah použití | Rezidenční sektory |
| Délka čelního plechu | 235,00 mm |
| Verze závory | Standardní závora |
| Verze střelky | Magnetická střelka |