






| Verze | | Dlouhá | Krátká |
|---|---|
| Barva/povrchová úprava | Kartáčováno |
| Rozsah použití | pro montáž dveřního alarmu pod kliku na dveře s úzkým rámem v souladu s EN 179 |
| Montáž | k přišroubování na dveřní křídlo |
| Materiál | Nerez |
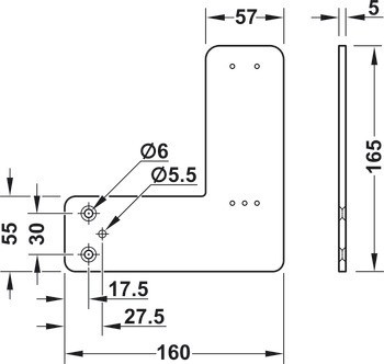
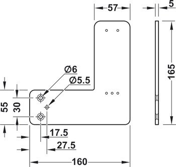
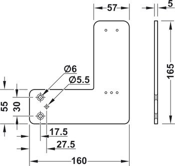
| Výška | | 210,00 mm | 165,00 mm |
| Vhodné pro | Häfele Startec zajištění dveří pro dveře s úzkým rámem |
| Typ produktu | Montážní podložka |
| Montáž | Pro použití na DIN levé a DIN pravé straně |