




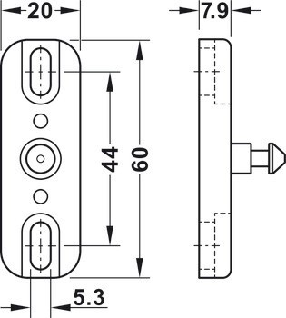
1 nábytkový zámek EFL 51
1 montážní návod

| Verze | elektromotorické zamykání, nemůže docházet k magnetickému rušení, se zásuvkou Loox, s 3D vyrovnáním tolerance |
|---|---|
| Rozsah použití | síťově napájený elektrický zámek pro vnitřní použití: pro otočné dveře, výklopy, posuvné dveře, zásuvky nebo roletky v nábytku, kanceláři a vybavení obchodů |
| Materiál | plast |
| Typ produktu | Nábytkový zámek |
| Varianta artiklu | Elektromotorické zamykání, nemůže docházet k magnetickému rušení, se zásuvkou Loox, s 3D vyrovnáním tolerance |