






| Verze | | S integrovaným mechanismem tlumení Blumotion (lze deaktivovat) |
|---|---|
| Barva/povrchová úprava | | nikl |
| Rozsah použití | | Pro dřevěné dveře |
| Montáž | | Dveře na korpusu bez nářadí s klip systémem |
| Zařízení pro nastavení | | Side adjustment ±2 mm, Height adjustment ±3 mm, Depth adjustment ±2 mm, Výškové nastavení podle montážní podložky |
| Materiál | | Ocel |
| Typ zalomení | | rohová instalace |
| Pro materiál dveří | | Dřevo |
| Verze nábytkového závěsu | | zahnuté aplikace |
| Zpracování dveří pro sestavení | | s vrtáním misky |
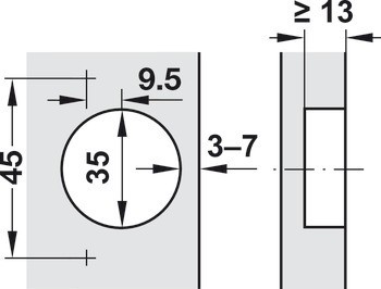
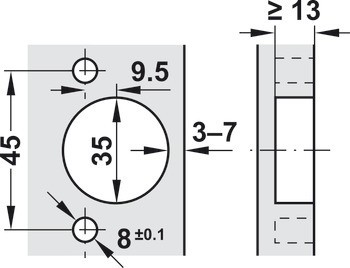
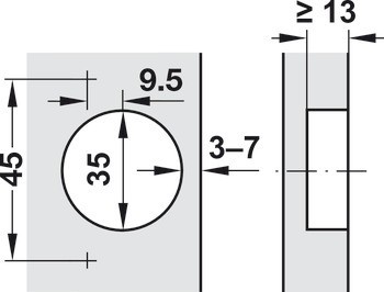
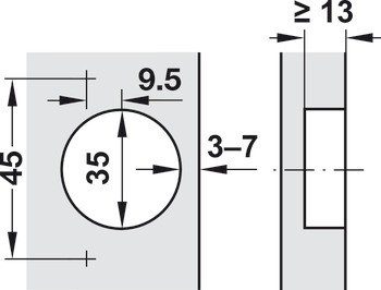
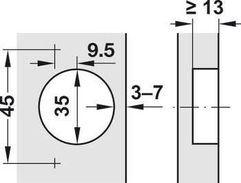
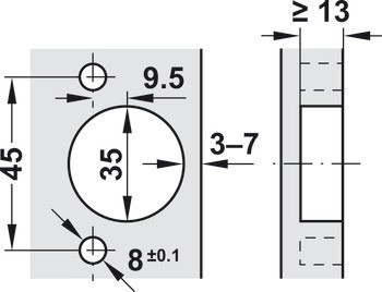
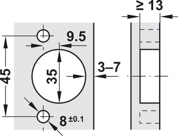
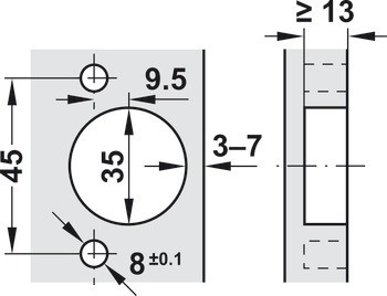
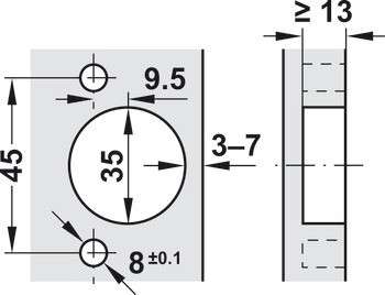
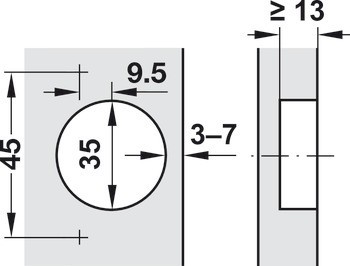
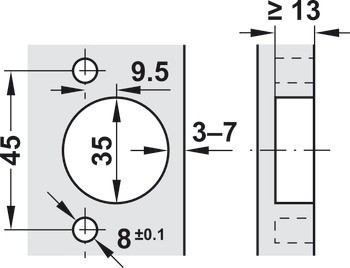
| Hloubka vrtání misky | | 13,00 mm | 13.00 mm |
| Verze | | S automatickou dovírací mechanikou, s mechanismem tlumeného zavírání (lze deaktivovat) |
| Montáž misky závěsu | | k přišroubování | Bez nářadí (Inserta) |
| Rohové aplikace | | 10°, 15° a 20° |
| Úhel otevření | | 95° |
| Model No. | | 79B9454 | 79B9494 |
| Vzor vrtání | | 45/9,5 |
| Průměr vrtání misky | | 35,00 mm | 35.00 mm |