






| Barva/povrchová úprava | nikl |
|---|---|
| Rozsah použití | Pro standardní aplikace |
| Montáž | Dveře na korpusu bez nářadí s klip systémem |
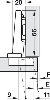
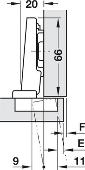
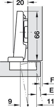
| Zařízení pro nastavení | Side adjustment ±2 mm, Height adjustment ±3 mm, Depth adjustment -1/+3 mm, Výškové nastavení podle montážní podložky |
| Materiál | Ocel |
| Typ zalomení | Rovné |
| Pro materiál dveří | Dřevo |
| Verze nábytkového závěsu | plně naložené |
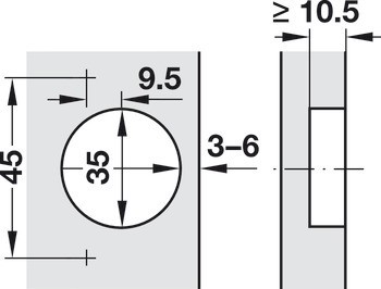
| Zpracování dveří pro sestavení | s vrtáním misky |
| Hloubka vrtání misky | | 10,50 mm |
| Verze | S automatickou dovírací mechanikou, Bez mechanismu tlumení |
| Montáž misky závěsu | | K nalisování | k přišroubování |
| Úhel otevření | 100° |
| Model No. | | 71M2550 | 71M2580 |
| Vzor vrtání | 45/9,5 |
| Průměr vrtání misky | | 35,00 mm |