






| Barva/povrchová úprava | | nikl |
|---|---|
| Rozsah použití | | Pro standardní aplikace, pro Blum Aventos HF top, HF top Servo-Drive |
| Montáž | | Dveře na korpusu bez nářadí s klip systémem |
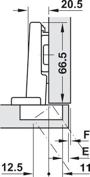
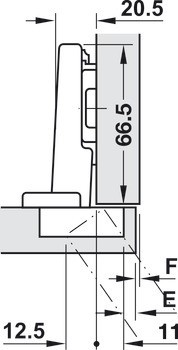
| Zařízení pro nastavení | | Side adjustment ±2 mm, Height adjustment ±3 mm, Depth adjustment -2/+3 mm, Výškové nastavení podle montážní podložky |
| Materiál | | Ocel |
| Typ zalomení | | Rovné |
| Pro materiál dveří | | dřevo |
| Verze nábytkového závěsu | | plně naložené |
| Zpracování dveří pro sestavení | | s vrtáním misky |
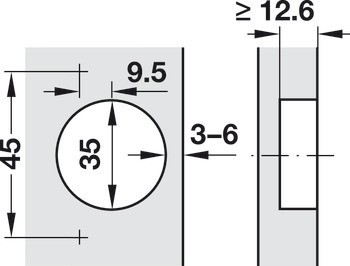
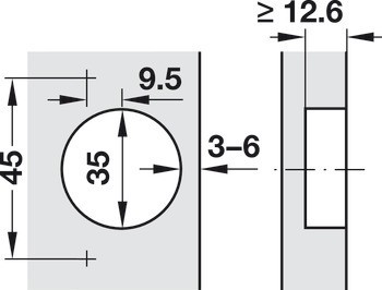
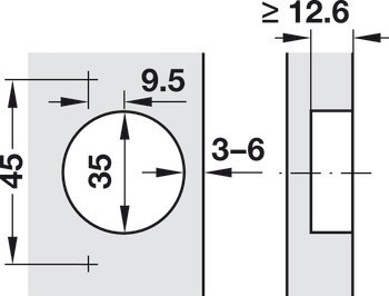
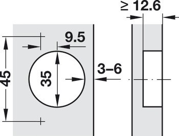
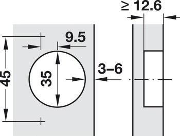
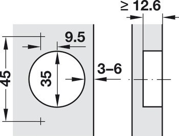
| Hloubka vrtání misky | | 12,60 mm | 12,80 mm |
| Verze | | Bez automatické zavírací pružiny, Bez mechanismu tlumení |
| Montáž misky závěsu | | k přišroubování | Bez nářadí (Inserta) |
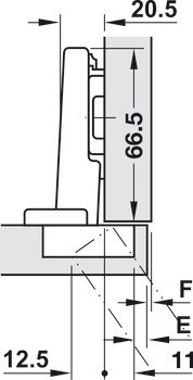
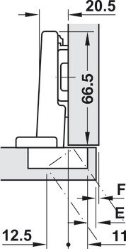
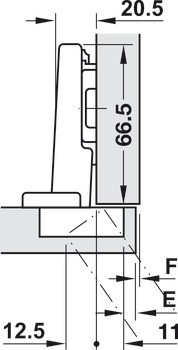
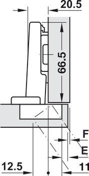
| Úhel otevření | | 120° |
| Model No. | | 70T5590BTL | 70T5550TL |
| Vzor vrtání | | 45/9,5 |
| Průměr vrtání misky | | 35,00 mm |