









| Barva/povrchová úprava | nikl |
|---|---|
| Rozsah použití | Pro dveře s mimořádně velkým úhlem otevření |
| Montáž | Dveře na korpusu bez nářadí s klip systémem |
| Poznámka k montáži | Minimální mezera FDo tloušťky dveří 21 mm není vyžadována mezera. Pro tloušťku dveří od 22 mm je doporučena zkušební montáž. |
| Zařízení pro nastavení | Side adjustment ±2 mm, Height adjustment ±3 mm, Depth adjustment -2/+3 mm, Výškové nastavení podle montážní podložky |
| Materiál | | Ocel | Miska: Zinková slitina, Ramínko závěsu: Ocel |
| Typ zalomení | Velmi zalomené |
| Pro materiál dveří | Dřevo |
| Verze nábytkového závěsu | Polonaložená montáž/oboustranná montáž |
| Zpracování dveří pro sestavení | s vrtáním misky |
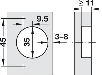
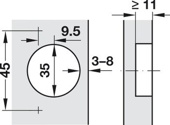
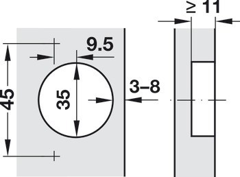
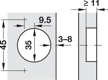
| Hloubka vrtání misky | 11.0 mm | 11,00 mm | 11.00 mm |
| Verze | | S automatickou dovírací mechanikou, Bez mechanismu tlumení | Bez automatické zavírací pružiny, Bez mechanismu tlumení |
| Montáž misky závěsu | | K nalisování | k přišroubování | Bez nářadí (Inserta) |
| Úhel otevření | 170° |
| Model No. | | 70T6640BTL | 71T6640B | 70T6650.TL | 71T6650 | 71T6680 |
| Vzor vrtání | 45/9,5 |
| Průměr vrtání misky | 35,00 mm | 35.00 mm | 35.0 mm |