









| Barva/povrchová úprava | | Černý | nikl |
|---|---|
| Rozsah použití | Pro dřevěné dveře |
| Montáž | Dveře na korpusu bez nářadí s klip systémem |
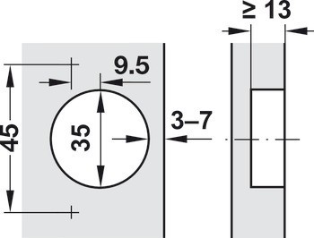
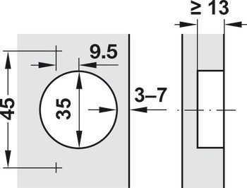
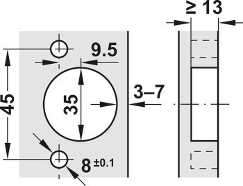
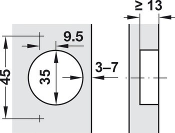
| Poznámka k montáži | Pro montáž vnitřní plochy dveří v rovině s vnitřní plochou slepého rohu vždy používejte pouze montážní podložky se zvýšením 3 mm. Standardní poloha montážní podložky k přišroubování je 21,5 mm od hrany slepého rohu. |
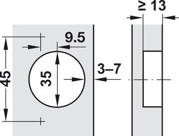
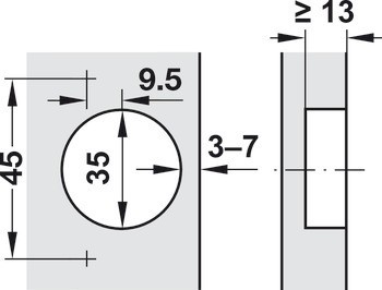
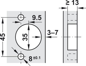
| Zařízení pro nastavení | Side adjustment 2.5 mm, Height adjustment -3 – 3 mm, Výškové nastavení podle montážní podložky |
| Materiál | Ocel |
| Typ zalomení | Aplikace do slepého rohu |
| Pro materiál dveří | dřevo |
| Verze nábytkového závěsu | aplikace do slepého rohu |
| Zpracování dveří pro sestavení | s vrtáním misky |
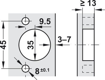
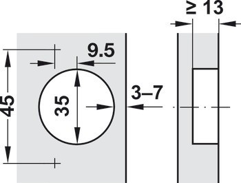
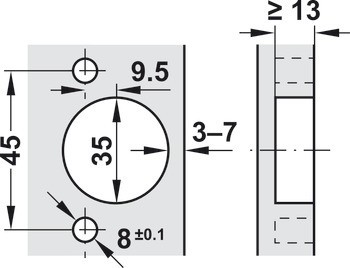
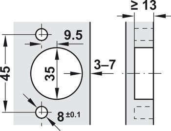
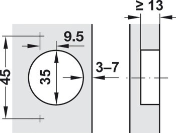
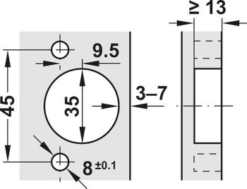
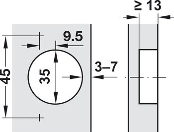
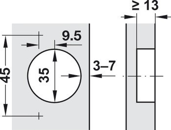
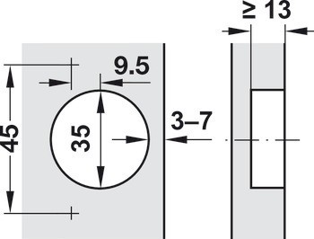
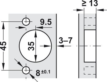
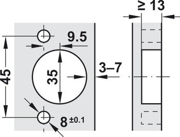
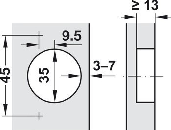
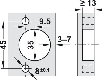
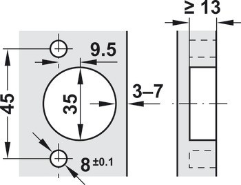
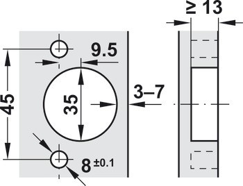
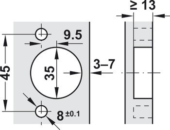
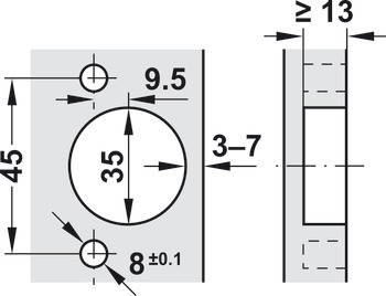
| Hloubka vrtání misky | 13,00 mm | 13,0 mm |
| Verze | S automatickou dovírací mechanikou, s mechanismem tlumeného zavírání (lze deaktivovat) |
| Montáž misky závěsu | | K nalisování | k přišroubování | Bez nářadí (Inserta) |
| Úhel otevření | 95° |
| Model No. | | 79B9550 | 79B9580 | 79B9590 |
| Vzor vrtání | 45/9,5 |
| Průměr vrtání misky | 35,00 mm | 35,0 mm |