








| Barva/povrchová úprava | | Černý | nikl |
|---|---|
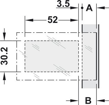
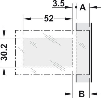
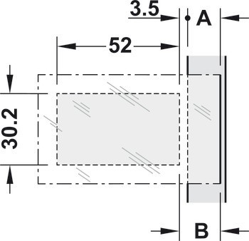
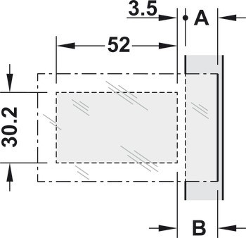
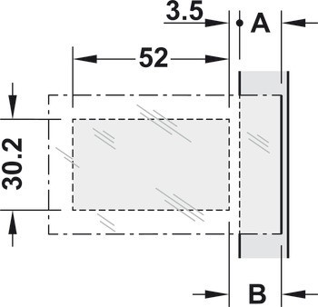
| Rozsah použití | Pro skleněné a zrcadlové dveře bez vrtání do skla |
| Montáž | Dveře na korpusu bez nářadí s klip systémem |
| Zařízení pro nastavení | Side adjustment ±2 mm, Height adjustment ±3 mm, Depth adjustment -2/+3 mm, Výškové nastavení podle montážní podložky |
| Materiál | Miska: Ocel, Ramínko závěsu: Zinková slitina |
| Typ zalomení | Velmi zalomené |
| Pro materiál dveří | sklo |
| Zpracování dveří pro sestavení | bez |
| Verze | | S automatickou dovírací mechanikou | Bez automatické zavírací pružiny | S automatickou dovírací mechanikou, s mechanismem tlumeného zavírání (lze deaktivovat) |
| Montáž misky závěsu | K nalepení |
| Úhel otevření | 110° |
| Model No. | | 71T4500C | 71B4500C | 70T4500CTL |