






| Barva/povrchová úprava | | nikl |
|---|---|
| Rozsah použití | | Pro dveře lednice |
| Montáž | | Dveře na korpus s nasouvací technikou A |
| Zařízení pro nastavení | | Side adjustment |
| Materiál | | Ocel |
| Typ zalomení | | Zalomené |
| Pro materiál dveří | | dřevo |
| Verze nábytkového závěsu | | plně naložené |
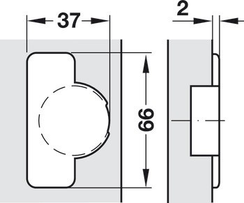
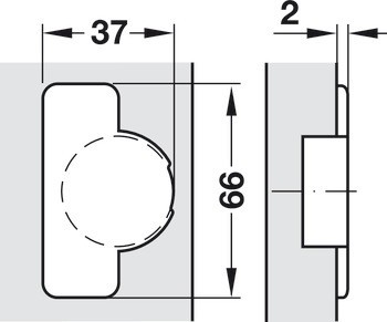
| Zpracování dveří pro sestavení | | s vrtáním misky |
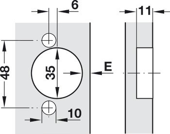
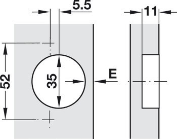
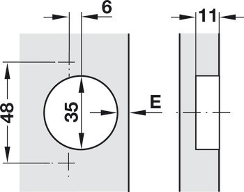
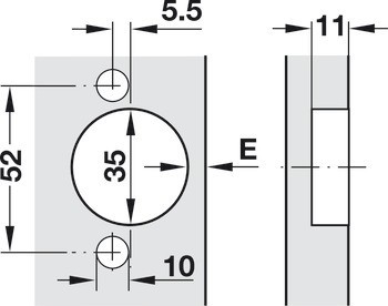
| Hloubka vrtání misky | | 11,00 mm |
| Verze | | S automatickou dovírací mechanikou, Bez mechanismu tlumení |
| Montáž misky závěsu | | k přišroubování |
| Úhel otevření | | 94° |
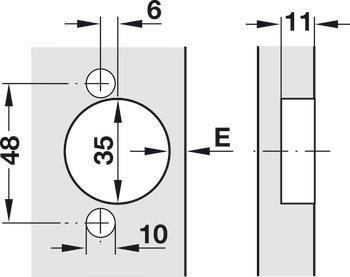
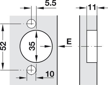
| Vzor vrtání | | 48/6 | 52/5,5 |
| Průměr vrtání misky | | 35,00 mm |