






| Barva/povrchová úprava | | nikl |
|---|---|
| Rozsah použití | | Pro dveře lednice |
| Montáž | | Dveře na korpus s nasouvací technikou A |
| Zařízení pro nastavení | | Side adjustment 4.5 mm, Height adjustment -2 – 2 mm, nastavení hloubky s montážní podložkou Metalla 510 A +2,8 mm |
| Materiál | | Ocel |
| Typ zalomení | | Zalomené |
| Pro materiál dveří | | dřevo |
| Verze nábytkového závěsu | | plně naložené |
| Zpracování dveří pro sestavení | | s vrtáním misky |
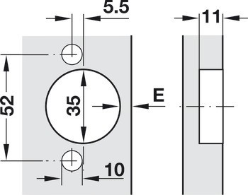
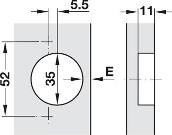
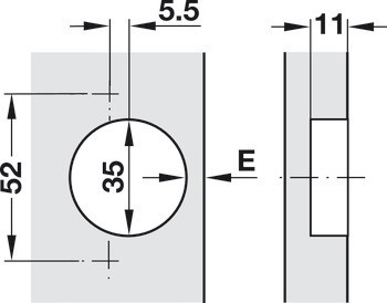
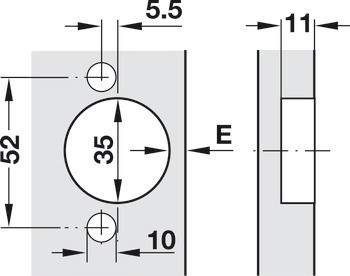
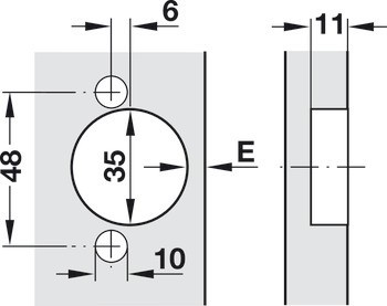
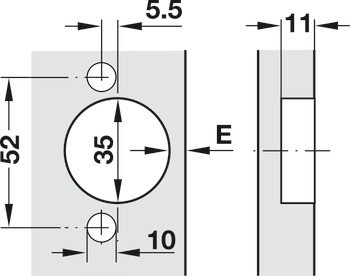
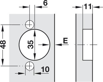
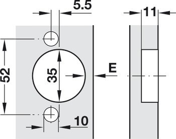
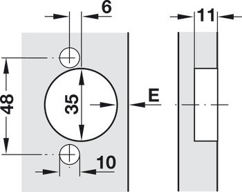
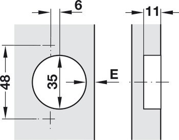
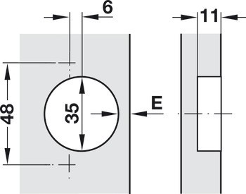
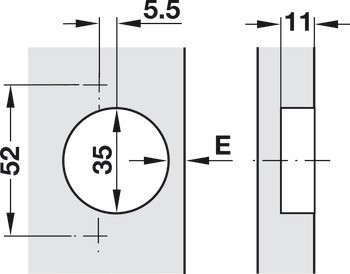
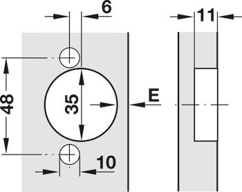
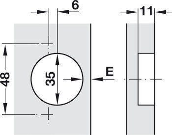
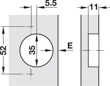
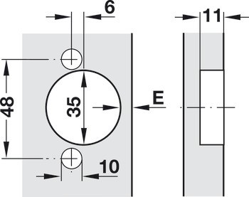
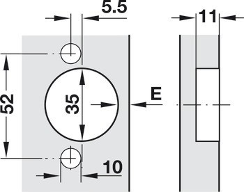
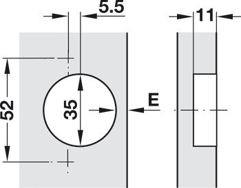
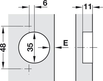
| Hloubka vrtání misky | | 11.00 mm |
| Verze | | S automatickou dovírací mechanikou |
| Montáž misky závěsu | | k přišroubování |
| Úhel otevření | | 94° |
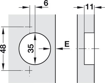
| Vzor vrtání | | 48/6 | 52/5,5 |
| Průměr vrtání misky | | 35.00 mm |