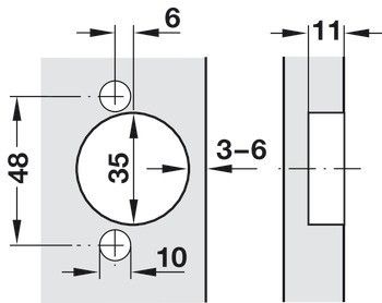
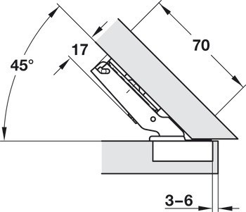
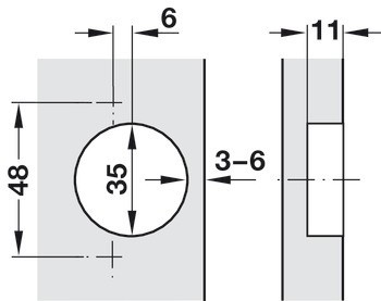
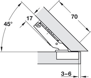
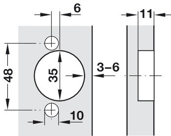
Nábytkový závěs, Häfele Metalla 510 A/SM 120°, pro –45° rohové aplikaceBarva/povrchová úprava: nikl,Rozsah použití: pro rohové aplikace,Montáž: Dveře na korpus s nasouvací technikou A nebo systémem rychlomontáže SM,Zařízení pro nastavení: Side adjustment ,Materiál: Miska: Ocel, Ramínko závěsu: Zinková slitina,Typ zalomení: rohová instalace,Pro materiál dveří: dřevo,Verze nábytkového závěsu: zahnuté aplikace,Zpracování dveří pro sestavení: s vrtáním misky,Hloubka vrtání misky: 11,00 mm,Verze: S automatickou dovírací mechanikou, Bez mechanismu tlumení,Montáž misky závěsu: k přišroubování,Rohové aplikace: –45°,Úhel otevření: 120°,Vzor vrtání: 48/6,Průměr vrtání misky: 35,00 mm
Kód: 329.09.600