







| Barva/povrchová úprava | nikl |
|---|---|
| Rozsah použití | | Pro tlusté a profilové dveře do 35 mm | pro tlusté a profilové dveře do 35 mm |
| Montáž | Dveře na korpus s nasouvací technikou A nebo systémem rychlomontáže SM |
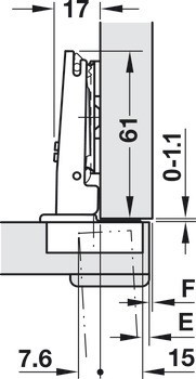
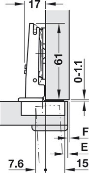
| Zařízení pro nastavení | Side adjustment -1.5/+4.5 mm, Height adjustment ±2 mm, nastavení hloubky s montážními podložkami Metalla 510 A +2,8 mm, s montážními podložkami Metalla 510 SM od -0,5 do +2,8 mm |
| Materiál | Ocel |
| Typ zalomení | Rovné |
| Pro materiál dveří | dřevo |
| Verze nábytkového závěsu | plně naložené |
| Zpracování dveří pro sestavení | s vrtáním misky |
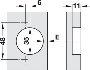
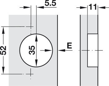
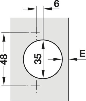
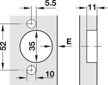
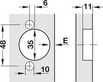
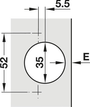
| Hloubka vrtání misky | 11,00 mm | 11.00 mm |
| Verze | S automatickou dovírací mechanikou, Bez mechanismu tlumení |
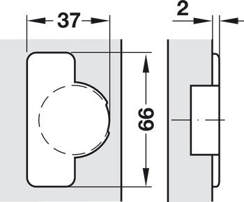
| Montáž misky závěsu | k přišroubování |
| Úhel otevření | 94° |
| Model No. | C2PBA99 |
| Vzor vrtání | | 48/6 | 52/5,5 | 45/9,5 |
| Průměr vrtání misky | 35,00 mm | 35.00 mm |