









| Barva/povrchová úprava | nikl |
|---|---|
| Rozsah použití | Pro standardní aplikace |
| Montáž | Dveře ke korpusu se systémem rychlomontáže SM |
| Zařízení pro nastavení | Side adjustment ±1,5 mm, Height adjustment ±2 mm, Depth adjustment -1/+3 mm, Výškové nastavení pomocí montážní podložky |
| Materiál | Ocel |
| Typ zalomení | Velmi zalomené |
| Pro materiál dveří | Dřevo |
| Verze nábytkového závěsu | vložka |
| Zpracování dveří pro sestavení | s vrtáním misky |
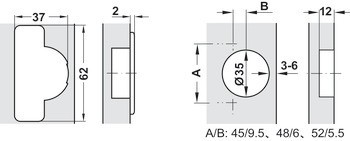
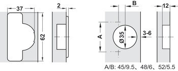
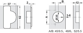
| Hloubka vrtání misky | | 12,00 mm | 12.00 mm |
| Verze | | S automatickou dovírací mechanikou, S mechanismem tlumeného zavírání | S automatickou dovírací mechanikou, Bez mechanismu tlumení |
| Montáž misky závěsu | k přišroubování |
| Úhel otevření | 110° |
| Vzor vrtání | | 48/6 | 52/5,5 | 45/9,5 |