







| Materiál | Střelková závora: zinková slitina, verze Softlockořech kliky: zinková slitinatělo zámku: Ocel |
|---|---|
| Model | Model RS 1000 SL |
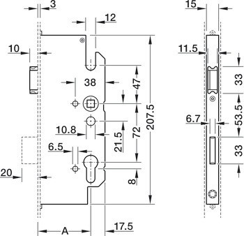
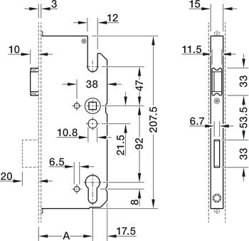
| Backset | | 55,00 mm | 65,00 mm |
| Rozměr zdvihu závory | 20,00 mm |
| Montáž | Pro použití na DIN levé a DIN pravé straně |
| Funkčnost | S převodem |
| Připraveno pro | Profilová vložka |
| Zdvih závory | 2 otáčky |
| Rozteč | | 72,00 mm | 92,00 mm |
| Typ zámku | PC |
| Verze závory | Standardní závora |
| Verze střelky | Standardní střelka |
| Montáž | K přišroubování nebo nýtování na střední část čelního plechu |