




1 otočná klička
1 zámková rozeta 30 mm
1 červík
1 imbus klíč

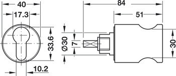
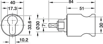
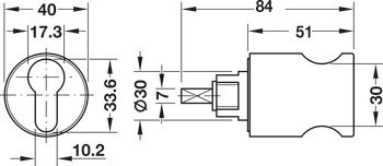
| Verze | Se čtyřhranem 7 mm |
|---|---|
| Rozsah použití | Pro profilovou vložku montážní délky (BL) 31/10 mm |
| Montáž | levý nebo pravý |
| Pro tloušťku dveří | 18 – 26 mm |
| Materiál | Zinková slitina |
| Materiál | Zinková slitina |
| Barva/povrchová úprava | nikl, matný |
| Vhodné pro | profilová vložka BL 31/10 mm, zámky s otvorem pro čtyřhran 7 mm |
| Montáž | levé nebo pravé |