




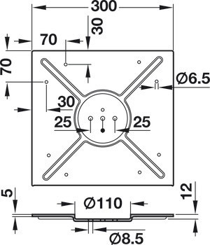
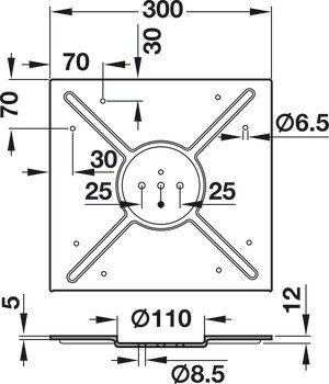
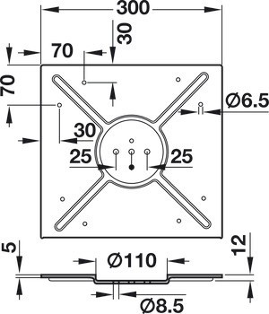
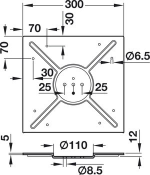
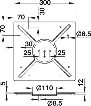
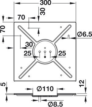
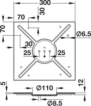
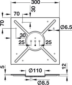
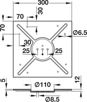
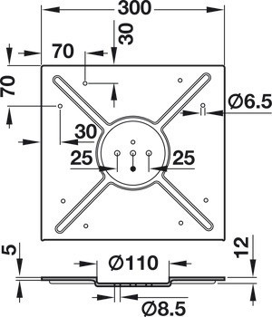
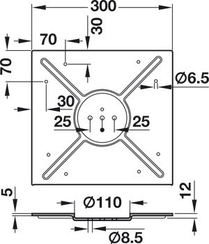
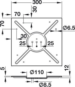
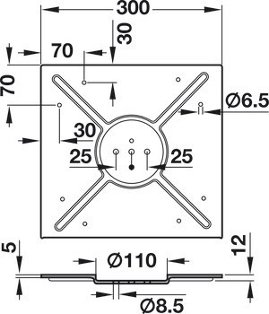
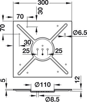
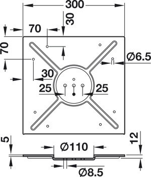
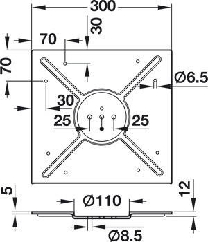
1 podstava obsahuje:
Ocelová deska s 5 nastavovacími šrouby, rozsah nastavení ±3 mm
Kryt, plochý pro ocelovou desku
1 montážní podložka, ocel, prášková barva, černá





| Verze | | Kulatá | Hranaté |
|---|---|
| Délka | 400,00 mm | 600,00 mm | 475,00 mm | 475.00 mm |
| Barva/povrchová úprava | | Jemné brusky | Chrom, Chrom | RAL 9005 hluboká černá, Leskle hedvábná mikrostruktura, Jemná struktura práškové barvy, černá, podobná RAL 9005 | RAL 9006, Hladký matný | RAL 9006, Lakované |
| Rozsah použití | Pro průměr stolové desky až do 900 mm |
| Materiál | | Nerez | Ocel |
| Průměr | 500,00 mm | 680,00 mm | 590,00 mm | 680,0 mm |
| Šířka | 400,00 mm | 600,00 mm | 475,00 mm | 475.00 mm |
| Typ produktu | Podstava |
| Povrchová úprava |