






| Rozsah použití | K zavěšení na konzole a šatní tyče |
|---|---|
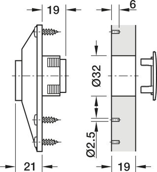
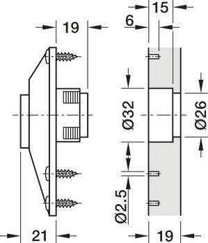
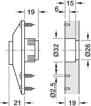
| Montáž | Pro montáž do drážky v paneluk přišroubování na zadní stranu panelu |
| Materiál | Zinková slitina |
| Barva/povrchová úprava | | prázdné | Barva stříbra, matný |
| Vhodné pro | Bodové zavěšení |
| Nosnost | 40,00 kg |
| Poznámka k nosnosti | Nosnost na pouzdro k naražení |
| Pro tloušťku panelu | 19,00 mm |