




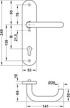
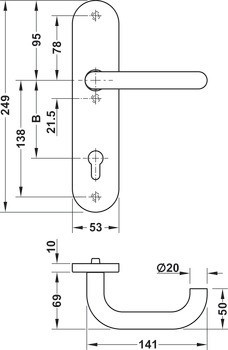
1 PZ vnější štít
1 Dveřní koule
1 PZ vnitřní štít
1 Klika s otvorem pro čtyřhran
1 Výměnný čtyřhran 9 x 80 mm
3 Závitové šrouby M6 x 55 mm


| Materiál | |
|---|---|
| Materiál | | Nerez |
| Tloušťka dveří | | 42 – 47 mm |
| Pro typ dveří | | Vchodové dveře do bytu |
| Rozteč | | 72,00 mm |
| Požární odolnost | | Ano |
| Barva/povrchová úprava | | Matné |
| Typ sady dveřních klik | | PZ výměnná sada s plochou koulí | PZ sada |
| Tloušťka vnějšího štítu | | 12,00 mm |
| Třída odolnosti | | třída odolnosti 1 v souladu s DIN 18257:2015 |
| Ložisko | | Otočně uložená klika |