




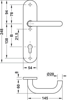
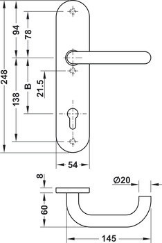
1 PZ vnější štít
1 dveřní koule
1 PZ vnitřní štít
1 klika s otvorem pro čtyřhran připevněná na vnitřním štítu
1 adaptér čtyřhranu 9 x 90 mm
3 závitové šrouby M6 x 45 mm
3 závitové šrouby M6 x 55 mm
3 závitové šrouby M6 x 65 mm


| Materiál | |
|---|---|
| Materiál | | Nerez |
| Tloušťka dveří | | 38 – 63 mm |
| Pro typ dveří | | Vchodové dveře do bytu |
| Rozteč | | 72,00 mm | 72.00 mm |
| Pojistka | | průběžná ocelová deska ve vnějším štítu |
| Požární odolnost | | Ano |
| Barva/povrchová úprava | | Matné |
| Typ sady dveřních klik | | PZ výměnná sada s plochou koulí | PZ sada |
| Tloušťka vnějšího štítu | | 12,00 mm | 12.00 mm |
| Třída odolnosti | | třída odolnosti 1 v souladu s DIN 18257:2015 |