




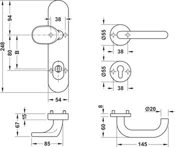
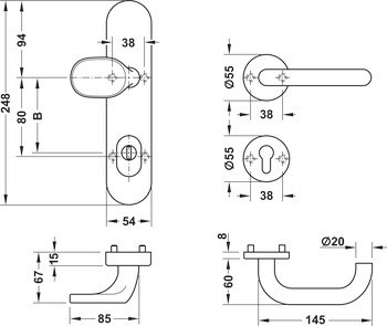
1 PZ vnější štít
1 Dveřní koule
1 PZ vnitřní rozeta
1 Klika s otvorem pro čtyřhran připevněná na rozetě
1 Adaptér čtyřhranu 9 x 80 mm
4 Závitové šrouby M5 x 50 mm
4 Závitové šrouby M5 x 60 mm

| Materiál | Nerez |
|---|---|
| Tloušťka dveří | 40 – 58 mm |
| Pro typ dveří | Vchodové dveře do bytu |
| Rozteč | 72,00 mm |
| Pojistka | průběžná ocelová deska ve vnějším štítu |
| Požární odolnost | Ano |
| Barva/povrchová úprava | Matné |
| Typ sady dveřních klik | PZ výměnná sada s plochou koulí |
| Tloušťka vnějšího štítu | 15,00 mm |
| Kryt vložky | ve vnějším štítu, překrývá přesah vložky 11–18 mm od dveřního křídla |