





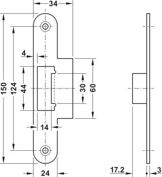
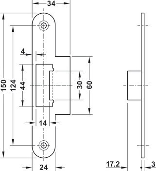
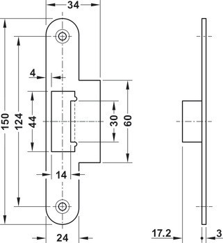
| Materiál | | Nerez |
|---|---|
| Barva/povrchová úprava | | matný |
| Rozsah použití | | Pro vícebodové zámky se Secury MR |
| Tloušťka | | 3.00 mm |
| Délka x šířka mm | | 150 x 24 mm |
| Montáž | | Pro použití na DIN levé a DIN pravé straně |
| Pro typ zárubně | | Ocelový rám|Dřevěný rám |
| Verze | | Vedení střelkové závory |
| Vhodné pro | | Vícebodové zámky Secury MR |
| Šířka příruby | | 10.00 mm |