









| Materiál | | Nerez | Ocel | Mosaz | Nerez, třída 1.4301/AISI 304 |
|---|---|
| Barva/povrchová úprava | | Černý | matný | Bílá, lakováno | Barva stříbra, lakováno | leštěné, ochranný lak |
| Rozsah použití | | Pro dřevěné zárubněpro bezfalcové dveře | Pro dřevěné zárubně, pro bezfalcové dveře |
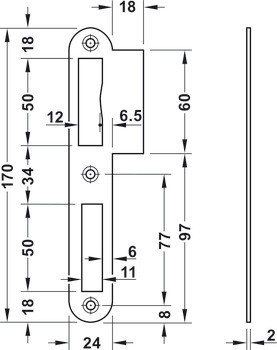
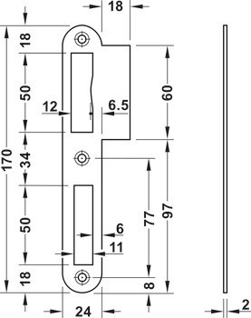
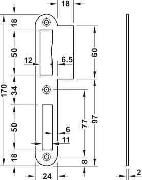
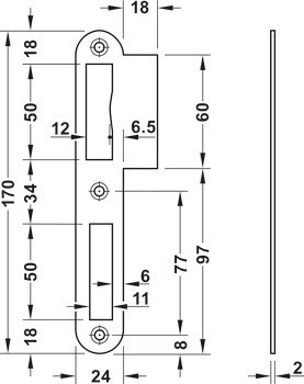
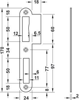
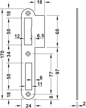
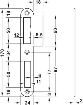
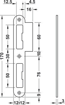
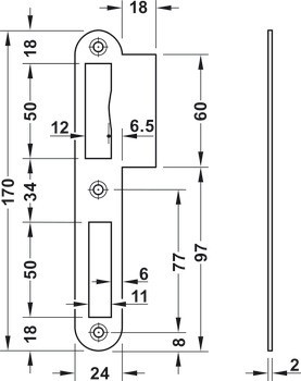
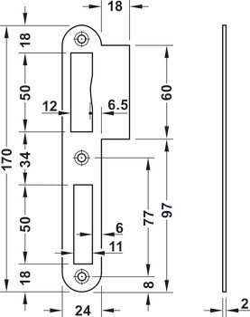
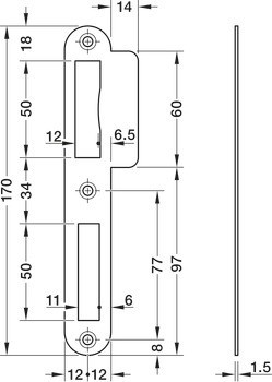
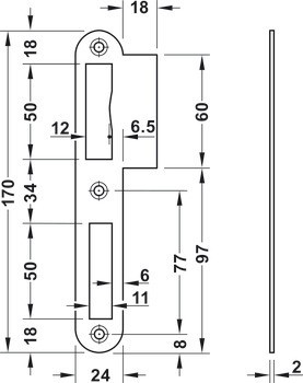
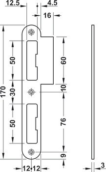
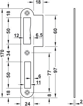
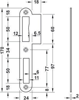
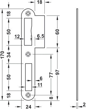
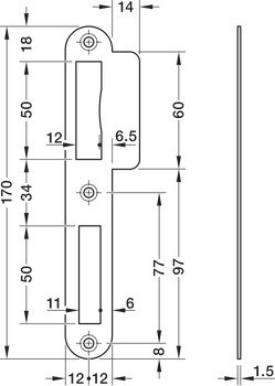
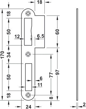
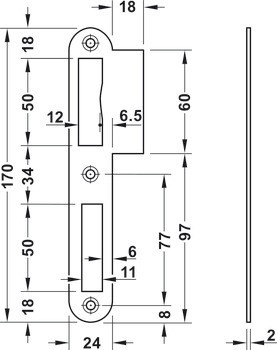
| Tloušťka | | 2,00 mm | 3,00 mm | 1,50 mm | 2.00 mm |
| Délka x šířka mm | 170 x 24 mm | 170 x 12 mm |
| Montáž | | Pro použití na DIN levé a DIN pravé straně | DIN levý | DIN pravý |
| Konstrukce dveří | Bezfalcové |
| Pro typ zárubně | | Dřevěný rám | Pro dřevěnou zárubeň |
| Tvar příruby | Rovné |
| Šířka příruby | | 16,00 mm | 18,00 mm | 14,00 mm | 18.00 mm |