






| Materiál | | Nerez | Mosaz |
|---|---|
| Barva/povrchová úprava | | matný | leštěné, ochranný lak |
| Rozsah použití | | Pro dřevěné zárubněpro bezfalcové dveře |
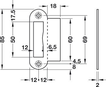
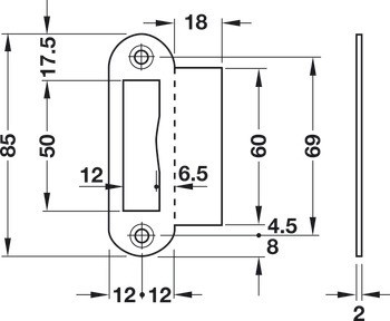
| Tloušťka | | 2,00 mm |
| Délka x šířka mm | | 85 x 24 mm |
| Montáž | | Pro použití na DIN levé a DIN pravé straně |
| Konstrukce dveří | | Bezfalcové |
| Pro typ zárubně | | Dřevěný rám |
| Tvar příruby | | Rovné |