





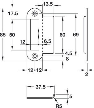
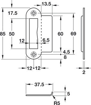
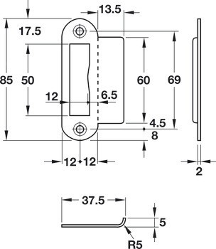
| Materiál | Nerez |
|---|---|
| Barva/povrchová úprava | matný |
| Rozsah použití | Pro dřevěné zárubněpro bezfalcové dveře |
| Tloušťka | 2,00 mm |
| Délka x šířka mm | 85 x 24 mm |
| Montáž | Pro použití na DIN levé a DIN pravé straně |
| Konstrukce dveří | Bezfalcové |
| Pro typ zárubně | Dřevěný rám |
| Tvar příruby | Zahnuté |
| Šířka příruby | 13,50 mm |