




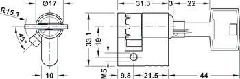
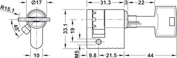
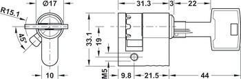
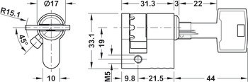
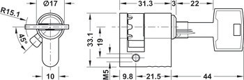
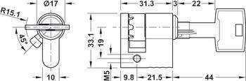
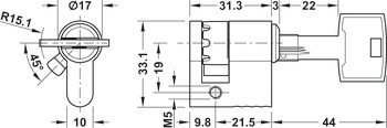
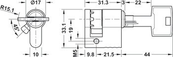
1 jednostranná cylindrická vložka
1 upevňovací šroub M5 x 80 mm





| Uzamykací série | | 8 | 6 | 5 | 3 | 4 | 2 | 1 | 10 | 9 | 7 |
|---|---|
| Typ uzávěru | s 3 pinovými stavítky |
| Typ uzavření | Společný uzávěr |
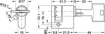
| Délka vložky vně | 21,50 mm | 21.50 mm |
| Délka vložky uvnitř | 9,80 mm | 9.80 mm |
| Celková délka vložky | 31,30 mm | 31.30 mm |
| Materiál těla vložky | Mosaz |
| Barva/povrchová úprava těla vložky | nikl |
| Výška vložky | 33,10 mm | 33.10 mm |
| Vybavení | Bez klíče |