




1 PZ vnější rozeta
1 PZ vnitřní rozeta
2 závitové šrouby M5 x 60 mm

| Verze | | S krytem vložky |
|---|---|
| Montáž | | zapuštěné |
| Materiál | | Nerez |
| Barva/povrchová úprava | | matný |
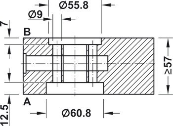
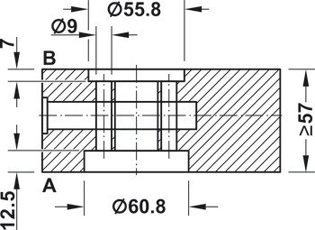
| Vhodné pro | | Tloušťka dveří: 68 mm (se zapuštěným kováním na obou stranách) |
| Model | | 73 7396 třída odolnosti 1 (třída bezpečnosti 2) |
| Typ otvoru pro klíč | | Profilová vložka |
| Typ rozety nebo štítu | | Sada rozety |
| Třída odolnosti | | třída odolnosti 1 v souladu s DIN 18257:2015 |