









| Materiál | Ocel |
|---|---|
| Barva/povrchová úprava | | Světlý pozink | matný, nikl |
| Rozsah použití | | Pro vícebodové zámky ASpro falcové dřevěné dveře |
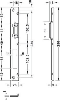
| Tloušťka | 3,00 mm |
| Délka x šířka mm | | 250 x 25/32 mm | 250 x 28 mm |
| Montáž | | Pro použití na DIN levé a DIN pravé straně | DIN levý | DIN pravý |
| Konstrukce dveří | Falcové |
| Pro typ zárubně | Dřevěný rám |
| Osová vzdálenost | | 10,00 mm | 13,00 mm |
| Verze | nastavitelný výměnný díl č. 115 |
| Vhodné pro | Jako vícebodové zámky |
| Kontura čelního plechu | Kulaté |
| Pro šířku čelního plechu | 20 mm |
| Mezera ve falcu | 4 mm |