









| Rozsah použití | Pro hmotnost dveří 40–120 kg |
|---|---|
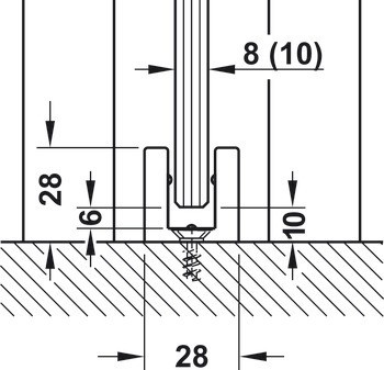
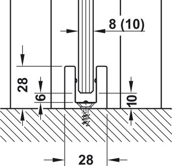
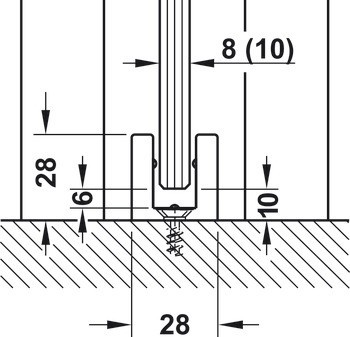
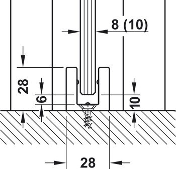
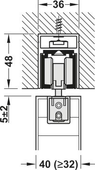
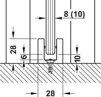
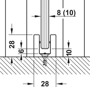
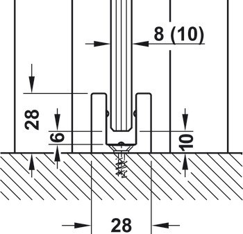
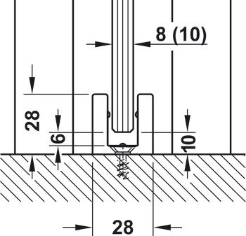
| Montáž | Montáž kapsy ve stěně |
| Materiál | Hliník |
| Barva/povrchová úprava | Barva stříbra, elox |
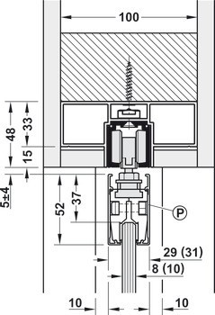
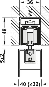
| Šířka | | 100,00 mm | 125,00 mm | 75,00 mm | 36,00 mm | 75.00 mm | 36,0 mm | 75,0 mm | 125,0 mm |
| Vhodné pro | Häfele Slido D-Line11 50I / 80I / 120I, 50L / 80L / 120L, 50J / 80J / 120J |
| Typ produktu | Sada kolejnic |
| Využitelná délka | | 1,980.00 mm | 2.980,00 mm | 1.980,00 mm | 2.480,00 mm | 2.480,0 mm | 2.980,0 mm |
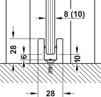
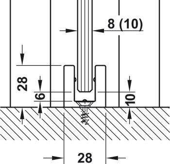
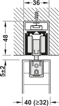
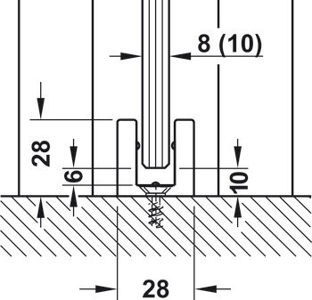
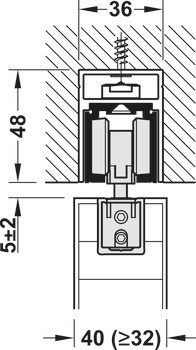
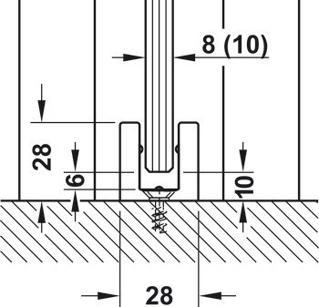
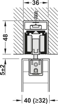
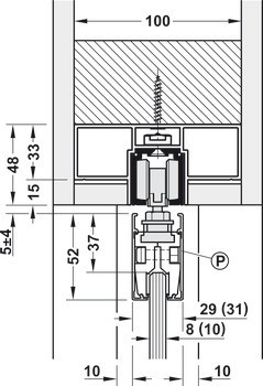
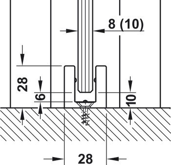
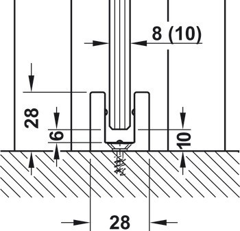
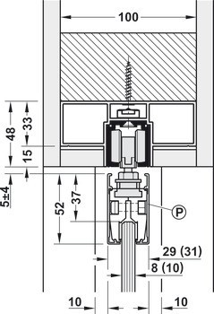
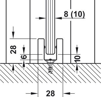
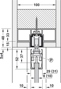
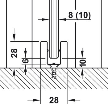
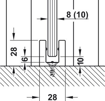
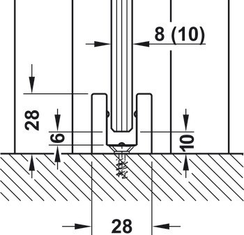
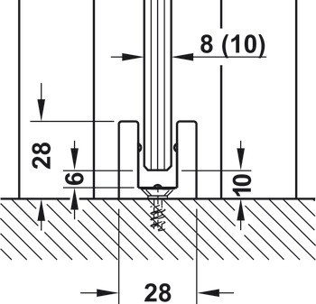
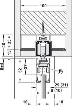
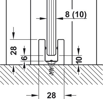
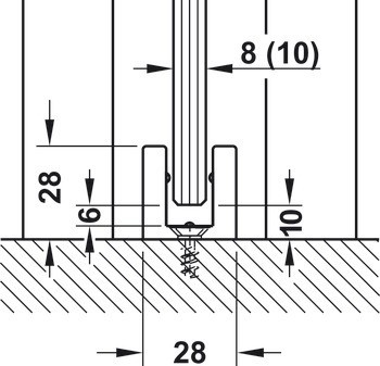
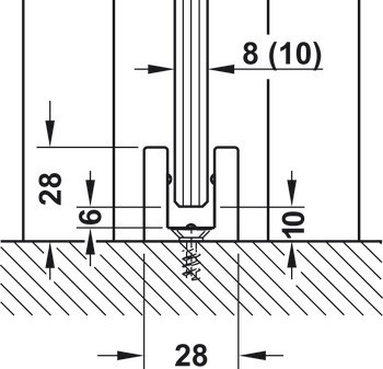
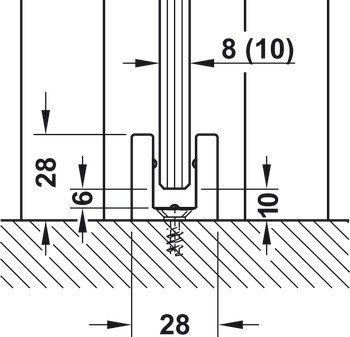
| Funkčnost | následná demontáž pojezdové kolejnice je možná bez otevření stěnyVozík a mechanismus tlumeného dotahu lze demontovatPoloha dorazu v kapse ve stěně, nastavitelná |
| Délka | | 2,000 mm | 2,500 mm | 3,000 mm |
| Pro hmotnost dveří | 50 – 120 kg |
| Pro materiál dveří | Sklo|Dřevo |