









| Verze | | s mechanismem tlumeného dotahu | S Push-to-Open | s mechanismem dotahu |
|---|---|
| Barva/povrchová úprava | | Zinek | pozink |
| Materiál | Ocel |
| Model | | S15 | S 15 |
| Modely | Matrix Runner UM |
| Nosnost | | 15,00 kg | 15.00 kg |
| Způsob vysunutí | Částečný výsuv |
| Výsuvná délka | | 310,00 mm | 302,00 mm | 386,00 mm | 436,00 mm | 242,00 mm | 184,00 mm | 234,00 mm | 272,00 mm | 348,00 mm | 310.00 mm | 386.00 mm | 348.00 mm | 184.00 mm | 234.00 mm | 242.00 mm | 272.00 mm | 436.00 mm |
| Comfort functions | | Push-to-Open |
| Délka zásuvky | | 300,00 mm | 250,00 mm | 400,00 mm | 320,00 mm | 500,00 mm | 450,00 mm | 450.00 mm | 350,00 mm | 550,00 mm | 300.00 mm | 400.00 mm | 500.00 mm | 380,00 mm | 550.00 mm | 350.00 mm | 250.00 mm | 320.00 mm |
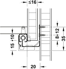
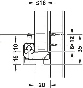
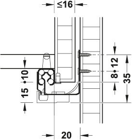
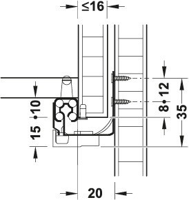
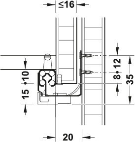
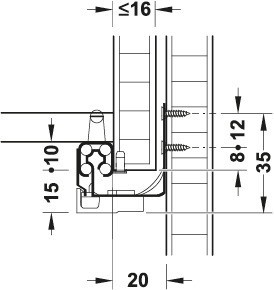
| Hloubka korpusu | |
| Pro světlou hloubku korpusu min. | | 398,00 mm | 268,00 mm | 318,00 mm | 368,00 mm | 418,00 mm | 338,00 mm | 318.00 mm | 368.00 mm | 468.00 mm | 518.00 mm | 568.00 mm | 268.00 mm |
| Pro hloubku korpusu | 398,00 mm | 268,00 mm | 318,00 mm | 368,00 mm | 418,00 mm | 468,00 mm | 518,00 mm | 568,00 mm | 338,00 mm | 318.00 mm | 368.00 mm | 338.00 mm | 418.00 mm | 468.00 mm | 518.00 mm | 568.00 mm | 268.00 mm |