




Závěs
Upevňovací materiál (samořezné šrouby se speciálním povrchem)
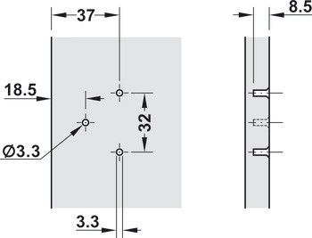
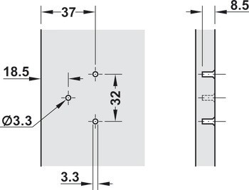
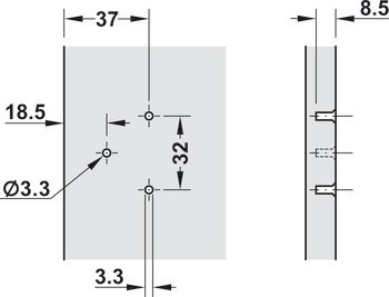
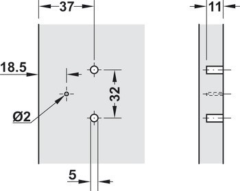
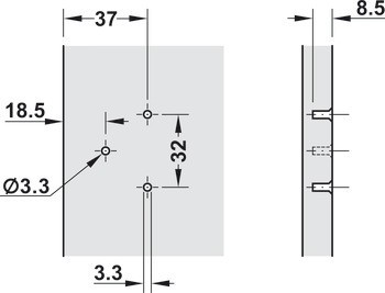
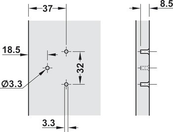
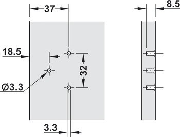
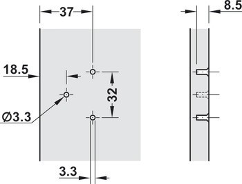
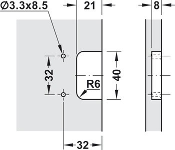
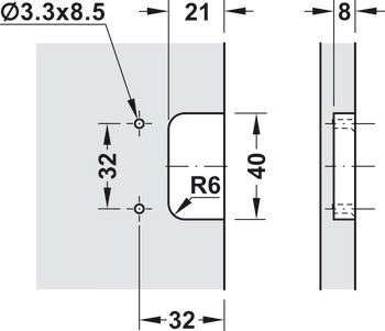
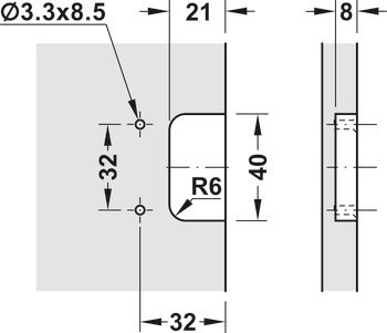
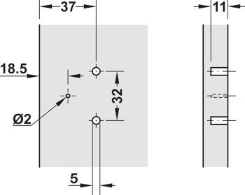
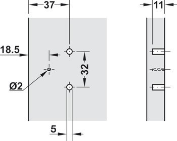
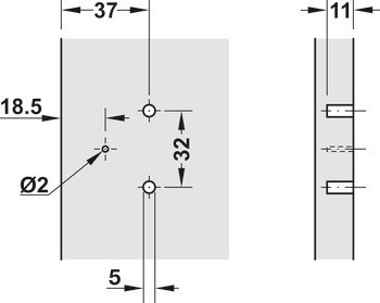
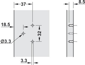
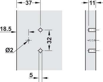
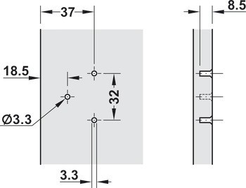
1 spirálový vrták Ø 3,3 mm, 50 ks v balení




| Verze | | se záskočkou,Naložení dveří: 3,5 mmPlně naložená montáž: Tloušťka bočního panelu 10 mmPolonaložená montáž: Tloušťka bočního panelu 13 mm | se záskočkou, naložení dveří: 7,0 mmPlně naložená montáž: se záskočkou, tloušťka bočního panelu 13 mmPolonaložená montáž: Tloušťka bočního panelu 19 mm | se záskočkou, naložení dveří: 13 mmPlně naložená montáž: Tloušťka bočního panelu 19 mmPřesah dveří 0 při úhlu otevření 90° | se záskočkou, naložení dveří: 13,0 mmPlně naložená montáž: Tloušťka bočního panelu 19 mmPřesah dveří 0 při úhlu otevření 90° |
|---|---|
| Barva/povrchová úprava | | nikl |
| Rozsah použití | | Pro tenké dveřepro laminátové panely (HPL) |
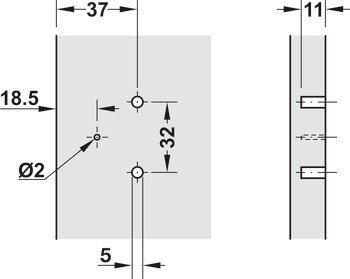
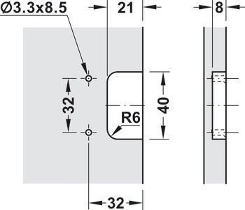
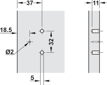
| Pro tloušťku dveří | 10 – 13 mm |
| Zařízení pro nastavení | | Side adjustment -2/+1 mm, Height adjustment ±2 mm, Depth adjustment ±1 mm, Výškové nastavení v dílu do misky pomocí excentruNastavení hloubky pomocí vodorovných drážek v bočním dílu |
| Materiál | | Zinková slitina |
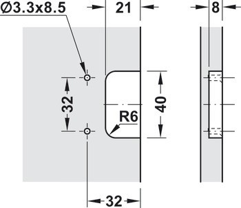
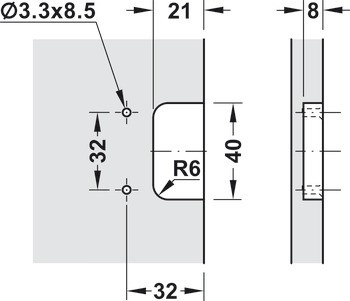
| Průměr patice | 5.0 mm | 5,00 mm | 5.00 mm |
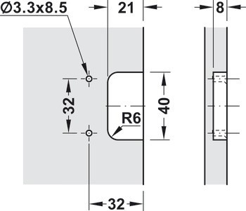
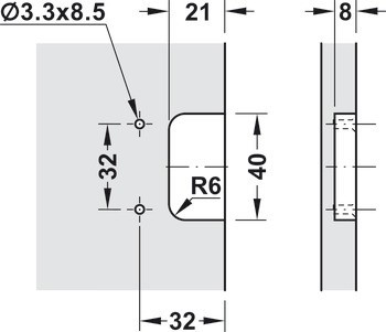
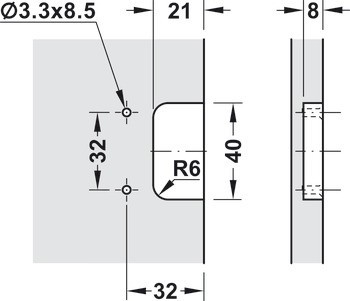
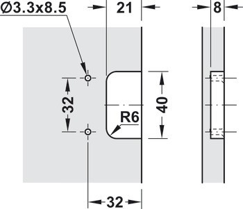
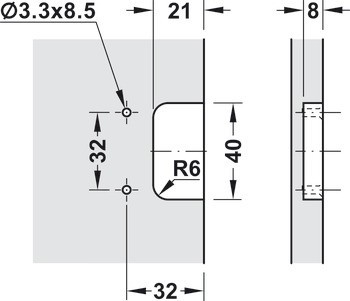
| Tloušťka bočního panelu | | 19 mm | 13 – 19 mm | 10 – 13 mm |
| Pro materiál dveří | | Laminát |
| Verze nábytkového závěsu | Plně naložená/polonaložená montáž |
| Zpracování dveří pro sestavení | bez |
| Mezera | 6.0 mm | 6,00 mm | 6.00 mm |
| Úhel otevření | 240° |
| Naložení dveří | | 3.5 mm | 7,00 mm | 13,00 mm | 13.00 mm |
| Délka patice | 47,00 mm | 47.00 mm | 47.0 mm |
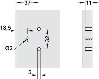
| Připevnění ramínka závěsu | K přišroubování | K přišroubování|s rozevíracími hmoždinkami a předmontovanými šrouby |