









| Materiál | Zinková slitina |
|---|---|
| Barva/povrchová úprava | | prázdné | nikl | Barva niklu |
| Rozsah použití | Pro extrémně stabilní a vysoce namáhané spoje |
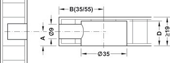
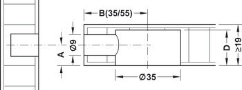
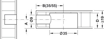
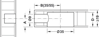
| Vhodné pro | Spojovací táhlo s vrtaným otvorem Ø 9 mm. |
| Pro tloušťku dřeva | ≥19 mm |
| Montáž | Rozměr vrtání A: vzdálenost mezi středem otvoru pro táhlo a horní hranou odpovídá polovině tloušťky dřeva (při tloušťce dřeva 19 mm).Rozměr vrtání B: vzdálenost od středu těla Maxifix k přední hraně bočního prvku (35 nebo 55 mm), v závislosti na volbě spojovacího táhla. |
| Hloubka vrtání | 15.5 mm |
| Rozměr A | 9,50 mm |
| Drážka | | Křížová drážka PZ3 | Vnitřní šestihran SW6 |
| Průměr vrtaného otvoru těla | 35,00 mm |