




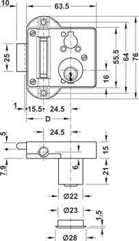
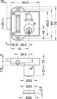
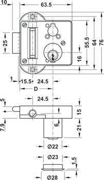
1 trojcestný zámek
2 klíče
1 rozeta zámku
Zamykací plán se zamykacími systémy


| Verze | | S pevnou vložkou s pinovými stavítky |
|---|---|
| Barva/povrchová úprava | | Nikl, Matná |
| Rozsah použití | | Pro průběžné profilové tyče ⌀ 8 mm |
| Montáž | | K přišroubování |
| Materiál | | Tělo zámku: zinková slitinavložka: mosaz |
| Uzamykací série | | Je možných 20000 různých uzamykacích sérií |
| Tvar vložky | | Kruhová vložka |
| Délka vložky | | 21,00 mm |
| Průměr vložky | | 22,00 mm |
| Typ uzávěru | | s 5 pinovými stavítky |
| Zamykací systém | | Individuální uzamykací systém HK | Individuální uzamykací systém GHK |
| Povrchová úprava | | Matná |
| Backset | | 40,00 mm |