




1 sada výklopného kování (1 kus levý/pravý, 2 čelní kování pro dřevěné výklopy nebo výklopy s širokým hliníkovým rámečkem od šířky 45 mm, montážní návod a papírová vrtací šablona)



| Rozsah použití | pro výklopné čelní panely s úchytkami nebo bez úchytek (push-to-open), pro menší, jednodílné výklopy ze dřeva nebo s hliníkovým rámečkem |
|---|---|
| Montáž | kování k přišroubování předmontovanými eurošroubyČelní panel bez nářadí (klip systém) do předmontovaných konzolí k přišroubování |
| Materiál | Kování: ocel |
| Model | | A | B | C |
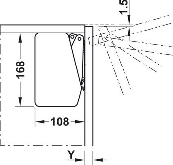
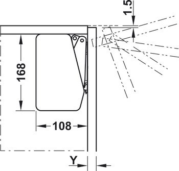
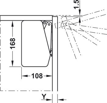
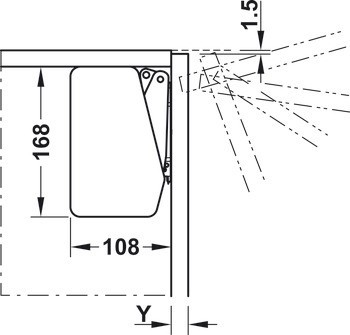
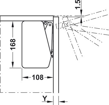
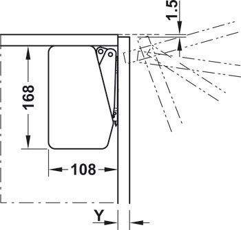
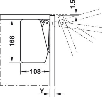
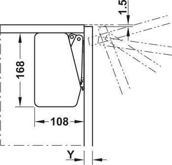
| Pro výšku korpusu | 250 – 450 mm |
| Úhel otevření | 107 ° |
| Materiál víka | Dřevo, Hliníkový rámeček |
| Barva/povrchová úprava | Kování: nikl |
| Typ výklopu | jednodílné |